Запчасти Komatsu PC200LL-6 FIG. K-9A КАБИНА - РЫЧАГ С КЛАПАНОМ PPC - ЭЛЕКТРИЧ. РЕГУЛЯТОР КАБИНА ОПЕРАТОРА И СИСТЕМА УПРАВЛЕНИЯ

Схема запчастей Komatsu PC200LL-6 - FIG. K-9A КАБИНА - РЫЧАГ С КЛАПАНОМ PPC - ЭЛЕКТРИЧ. РЕГУЛЯТОР КАБИНА ОПЕРАТОРА И СИСТЕМА УПРАВЛЕНИЯ
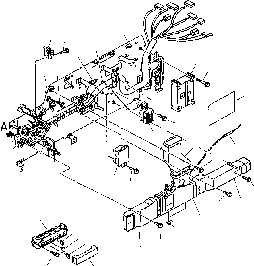
1
31
32
10
4
25
26
24
23
29
10
22
21
11
17
33
11
18
9
3
2
27
28
16
15
14
5
13
7
30
6
8
20
19
12
5
FIT
1:1
100%

Артикул

Название

Примечание

Количество

1

20Y-06-25110

BASE, OPERATOR'S CAB

2

20Y-06-24121

SWITCH ASSEMBLY, PUMP REDUNDANCY

3

01641-21223

WASHER

4

20Y-06-27751

HARNESS, WIRING

5

08044-11500

BOX, FUSE

6

08041-01000

FUSE, 10A

7

08041-01500

FUSE, 15A

8

08041-02000

FUSE, 20A

9

20Y-06-24130

SWITCH, SWING REDUNDANCY

10

20Y-06-21460

CLIP

11

20Y-06-23960

CLIP

12

01023-10625

SCREW

14

01435-01016

BOLT

15

20Y-979-2221

DUCT

16

01435-00610

BOLT

17

20Y-979-2231

DUCT

18

01435-00610

BOLT

19

20Y-979-2242

DUCT

20

01435-00610

BOLT

21

7861-94-4001

RESISTOR

22

01435-00820

BOLT

23

203-06-56230

BUZZER ASSEMBLY

24

01435-00610

BOLT

25

7834-21-7003

CONTROLLER, GOVERNOR PC

26

01435-00880

BOLT

27

20Y-06-25130

RELAY BOX

28

01435-00630

BOLT

29

20Y-06-24220

SHEET

30

08051-00801

CLIP

31

20Y-06-23521

LOCK

32

01435-00820

BOLT

33

08017-30701

CONDUIT

Выбрано товаров: 32