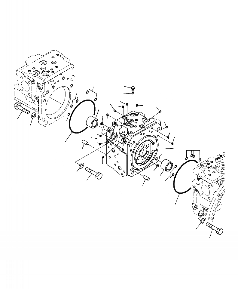
Запчасти Komatsu PC200LL-8 H-A ОСНОВН. НАСОС END КРЫШКАS ГИДРАВЛИКА

Схема запчастей Komatsu PC200LL-8 - H-A ОСНОВН. НАСОС END КРЫШКАS ГИДРАВЛИКА
6
10
6
11
2
12
2
2
2
3
7
2
2
8
6
2
9
12
2
6
4
1
5
2
7
9
3
8
6
5
4
9
8
FIT
1:1
100%

Артикул

Название

Примечание

Количество

|$2

708-2L-06450

CAP, END

1

708-2L-31420

CAP, END

2

NSS

PLUG

3

708-2L-32260

BEARING

4

07000-A5165

O-RING

5

04020-01228

PIN, DOWEL

6

07000-B2012

O-RING

7

708-2L-25480

FILTER

8

01010-61655

BOLT

9

01643-31645

WASHER

10

708-8E-16150

PLUG

11

07002-61023

O-RING

12

708-1L-29340

ORIFICE

Выбрано товаров: 13