Запчасти Komatsu PC200LL-8 T-A ЦИЛИНДР СТРЕЛЫЛЕВ. РАБОЧЕЕ ОБОРУДОВАНИЕ

Схема запчастей Komatsu PC200LL-8 - T-A ЦИЛИНДР СТРЕЛЫЛЕВ. РАБОЧЕЕ ОБОРУДОВАНИЕ
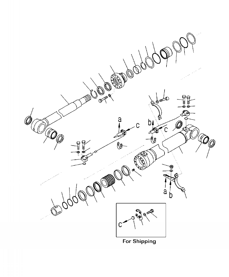
13
14
11
10
15
27
28
7
27
12
26
9
8
38
39
4
37
33
31
17
6
34
32
16
30
35
3
31
40
33
40
32
5
34
6
2
1
29
3
41
35
42
25
24
23
21
24
20
18
22
19
36
20
21
45
46
44
43
FIT
1:1
100%

Артикул

Название

Примечание

Количество

|$0

707-01-0H650

CYLINDER

1

707-13-13890

CYLINDER

2

707-76-80420

BUSHING

3

07145-00070

SEAL, DUST

4

707-58-90E50

ROD, PISTON

5

707-76-80431

BUSHING

6

07145-00080

SEAL, DUST

7

707-27-13650

HEAD, CYLINDER

8

07179-13104

RING, SNAP

9

195-63-94170

SEAL, DUST

10

707-52-90681

BUSHING

11

707-75-90110

RING, SNAP

12

707-51-90030

PACKING, ROD

13

07000-15120

O-RING

14

707-35-91320

RING, BACK-UP

15

707-51-90650

RING, BUFFER

16

01010-81670

BOLT

17

01643-51645

WASHER

18

707-36-13780

PISTON

19

707-44-13150

RING, PISTON

20

707-39-13150

RING, WEAR

21

707-44-13911

RING

22

707-71-60970

PLUNGER

23

07000-15080

O-RING

24

707-35-90940

RING, BACK-UP

25

01310-01216

SCREW

26

707-71-34670

COLLAR

27

707-35-91320

RING, BACK-UP

28

07000-15120

O-RING

29

707-86-67760

TUBE, L.H.

30

206-62-64270

TUBE, L.H.

31

07372-21060

BOLT

32

01643-51032

WASHER

33

07372-21045

BOLT

34

01643-51032

WASHER

35

07000-13030

O-RING

36

707-88-28050

BRACKET, L.H.

37

707-88-21311

BAND

38

07372-21035

BOLT

39

01643-51032

WASHER

40

07283-32738

CLAMP

41

01597-01009

NUT

42

01643-31032

WASHER

43

707-88-33030

CAP

44

07371-30640

FLANGE, SPLIT

45

07372-21035

BOLT

46

01643-51032

WASHER

|$47

707-98-47710

SERVICE KIT, BOOM CYLINDER

Выбрано товаров: 48