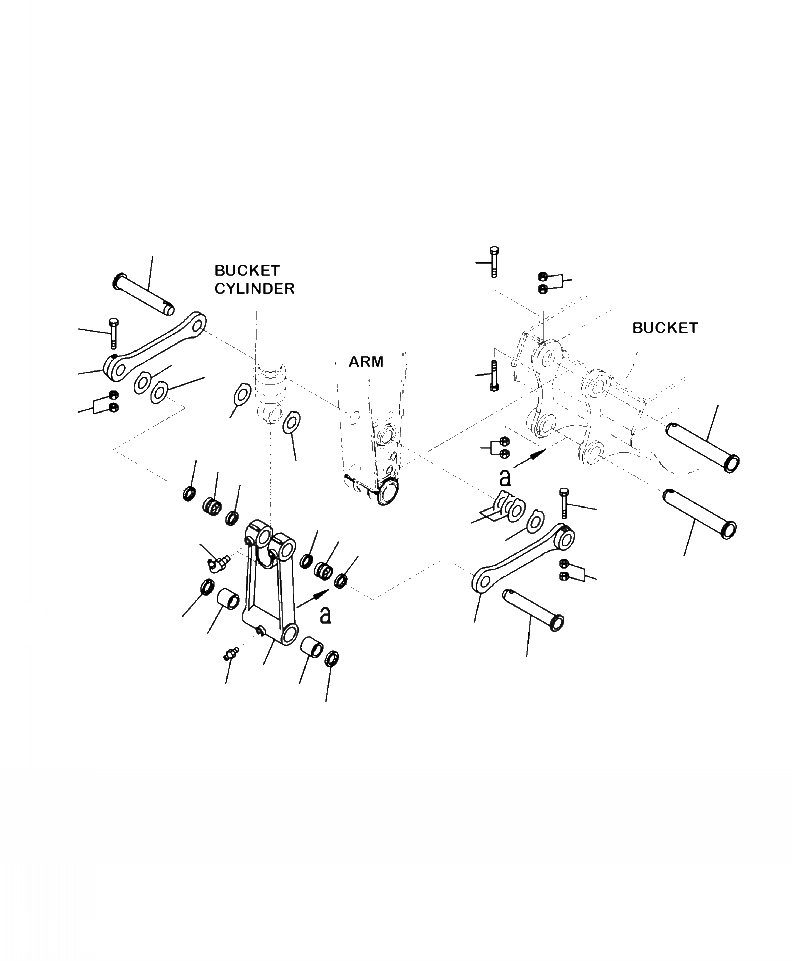
Запчасти Komatsu PC200LL-8 T-A РУКОЯТЬ СОЕДИНЕНИЕ КОВША ДЛЯ .8 M И . M РУКОЯТИ РАБОЧЕЕ ОБОРУДОВАНИЕ

Схема запчастей Komatsu PC200LL-8 - T-A РУКОЯТЬ СОЕДИНЕНИЕ КОВША ДЛЯ .8 M И . M РУКОЯТИ РАБОЧЕЕ ОБОРУДОВАНИЕ
9
20
24
15
17
18
8
23
22
16
18
6
21
2
18
6
10
6
13
2
5
6
12
19
11
7
8
3
14
1
4
3
7
FIT
1:1
100%

Артикул

Название

Примечание

Количество

|$0

20Y-70-01240

LINK

1

20Y-70-33121

LINK

2

21K-70-12161

BUSHING

3

205-70-73180

BUSHING

4

07020-00000

FITTING

5

07020-00675

FITTING

6

20Y-70-23220

SEAL

7

20Y-70-23230

SEAL

8

205-70-73130

LINK

9

22U-70-21191

PIN

10

20Y-70-32450

BOLT

11

01580-12016

NUT

12

20Y-70-11320

SPACER, 0.8 MM

13

20Y-70-11330

SPACER, 1.5 MM

14

22U-70-21191

PIN

15

20Y-70-32450

BOLT

16

01580-12016

NUT

17

20Y-70-11320

SPACER, 0.8 MM

18

20Y-70-11330

SPACER, 1.5 MM

19

205-70-73270

PIN

20

20Y-70-32450

BOLT

21

01580-12016

NUT

22

205-70-73270

PIN

23

20Y-70-32460

BOLT

24

01580-12016

NUT

Выбрано товаров: 25