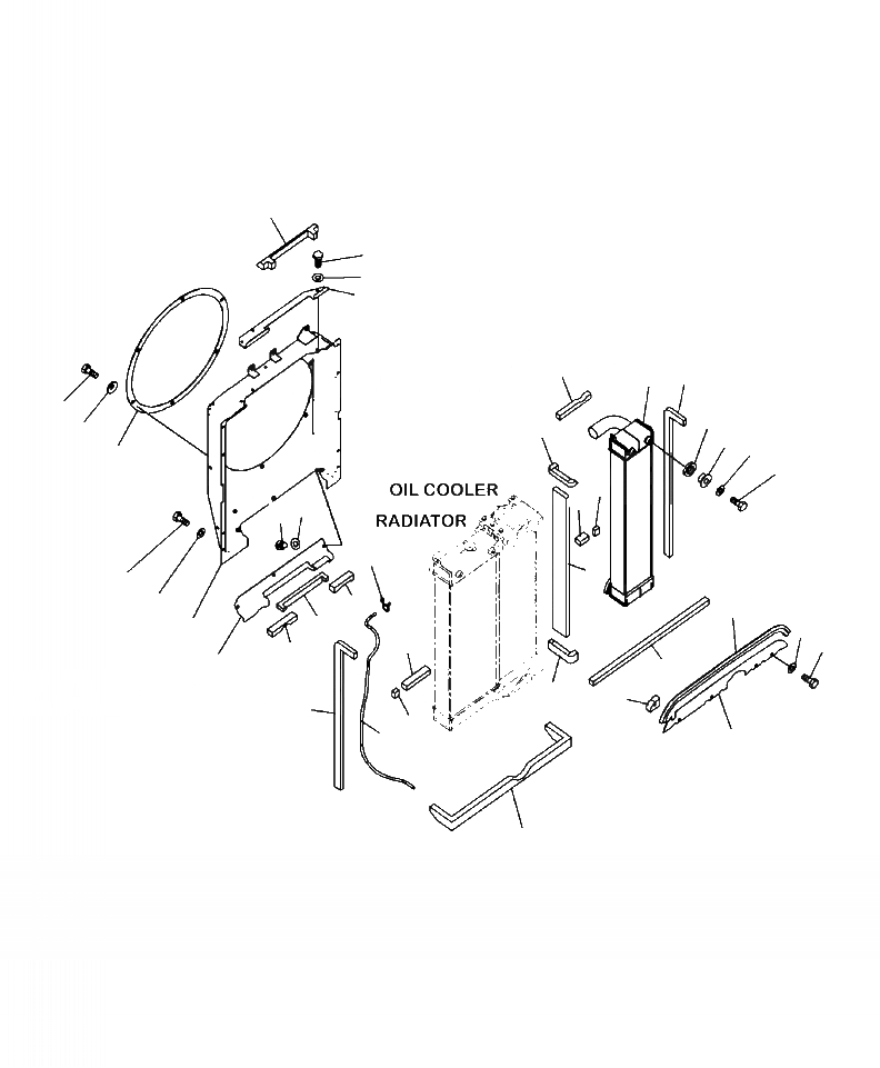
Запчасти Komatsu PC200LL-8 C-A СИСТЕМА ОХЛАЖДЕНИЯ КОЖУХ И ПОСЛЕОХЛАДИТЕЛЬ СИСТЕМА ОХЛАЖДЕНИЯ

Схема запчастей Komatsu PC200LL-8 - C-A СИСТЕМА ОХЛАЖДЕНИЯ КОЖУХ И ПОСЛЕОХЛАДИТЕЛЬ СИСТЕМА ОХЛАЖДЕНИЯ
7
9
10
8
18
29
17
5
22
20
6
23
25
4
24
33
34
16
15
27
19
2
40
3
13
39
11
1
35
38
14
12
30
21
36
31
32
37
26
28
FIT
1:1
100%

Артикул

Название

Примечание

Количество

1

206-03-21222

SHROUD

2

01010-81020

BOLT

3

01643-31032

WASHER

4

20Y-03-41321

PLATE

5

01010-81020

BOLT

6

203-54-56970

WASHER

|$6

206-03-21341

COVER

7

206-03-21491

SHEET

8

206-03-21231

COVER

9

01010-81020

BOLT

10

01643-31032

WASHER

|$11

206-03-21680

COVER

11

206-03-21481

SHEET

12

206-03-21670

COVER

13

206-03-21551

SHEET

14

206-03-21381

SHEET

15

01010-81020

BOLT

16

01643-31032

WASHER

|$18

206-03-21431

COOLER

17

NSS

AFTER COOLER

18

206-03-21361

SHEET

19

206-03-21290

SHEET

20

206-03-21461

SHEET

21

206-03-21540

SHEET

22

22U-03-22860

CUSHION

23

6738-61-4952

COLLAR

24

01010-81030

BOLT

25

01643-31032

WASHER

26

20Y-03-42340

HOSE

27

206-03-43340

CLAMP

28

206-03-21281

SHEET

29

206-03-21310

SHEET

30

206-03-21320

SHEET

31

206-03-21310

SHEET

32

206-03-21560

SHEET

33

206-03-21570

SHEET

34

206-03-21690

SHEET

35

20Y-03-41521

SHEET

36

20Y-03-41633

SHEET

37

206-03-21253

COVER

38

01010-81020

BOLT

39

01643-31032

WASHER

40

20Y-03-41870

SEAL

Выбрано товаров: 43