Запчасти Komatsu PC200SC-6 РУКОЯТЬ (TELESCO ТРУБЫ)(№-) РАБОЧЕЕ ОБОРУДОВАНИЕ

Схема запчастей Komatsu PC200SC-6 - РУКОЯТЬ (TELESCO ТРУБЫ)(№-) РАБОЧЕЕ ОБОРУДОВАНИЕ
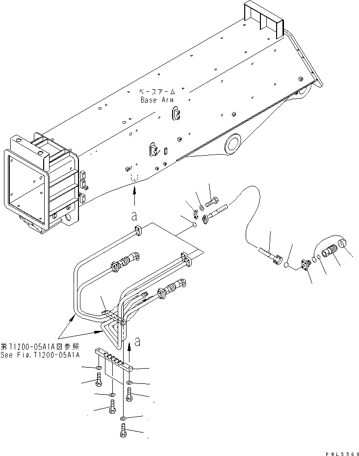
1
2
3
4
5
5
6
6
7
8
9
10
11
12
13
13
14
15
16
17
FIT
1:1
100%

Артикул

Название

Примечание

Количество

1

20Y-957-6611

CLAMP

2

20Y-957-6641

CLAMP

3

01010-81250

BOLT

4

01643-31232

WASHER

5

01010-81450

BOLT

6

01643-31445

WASHER

7

01010-80850

BOLT

8

01643-30823

WASHER

9

07099-21017

HOSE

10

07371-31049

FLANGE

11

07372-21035

BOLT

12

01643-51032

WASHER

13

07000-13032

O-RING

14

20Y-62-33310

COUPLING,BODY

15

20D-62-11660

NIPPLE

16

07002-13334

O-RING

17

20Y-957-6480

CAP

Выбрано товаров: 0