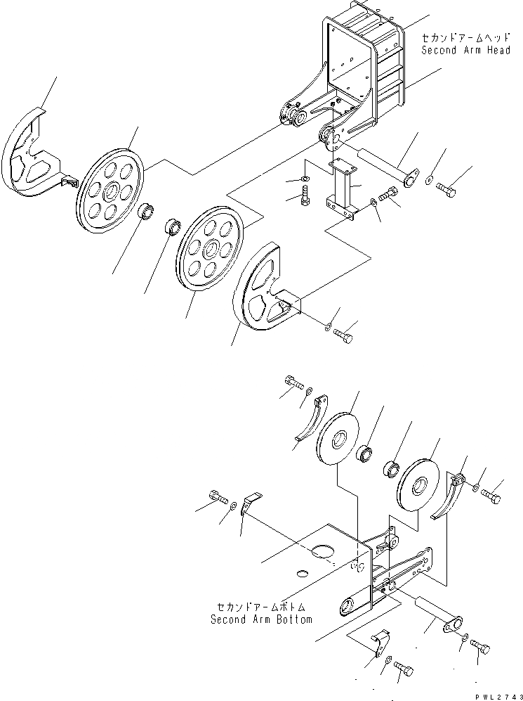
Запчасти Komatsu PC200SC-7-M1 TELESCO РУКОЯТЬ (SHEAVE) РАБОЧЕЕ ОБОРУДОВАНИЕ

Схема запчастей Komatsu PC200SC-7-M1 - TELESCO РУКОЯТЬ (SHEAVE) РАБОЧЕЕ ОБОРУДОВАНИЕ
1
1
2
2
3
4
5
6
7
8
8
9
9
10
11
12
12
13
13
14
14
15
16
17
18
18
19
20
21
22
23
24
25
26
27
FIT
1:1
100%

Артикул

Название

Примечание

Количество

1

20Y-957-2441

SHEAVE

2

20Y-957-2130

BEARING

3

20Y-957-2390

PIN

4

22X-75-15310

PLATE

5

01010-81225

BOLT

6

20Y-957-2351

BRACKET

7

20Y-957-2361

BRACKET

8

01010-81230

BOLT

9

01643-31232

WASHER

10

20Y-957-2452

BRACKET

11

20Y-957-2462

BRACKET

12

01010-81640

BOLT

13

01643-31645

WASHER

14

20Y-957-2120

SHEAVE

15

20Y-957-2240

PIN

16

01010-81225

BOLT

17

20Y-54-12821

COLLAR

18

20Y-957-2130

BEARING

19

20Y-957-2212

BRACKET

20

01010-81235

BOLT

21

01643-31232

WASHER

22

20Y-957-2222

COVER

23

20Y-957-2232

COVER

24

01010-81230

BOLT

25

01643-31232

WASHER

26

01010-81230

BOLT

27

01643-31232

WASHER

Выбрано товаров: 0