Запчасти Komatsu PC200SC-7-M1 ГИДРОЛИНИЯ СТРЕЛЫ (ГИДРОЛИНИЯ СТРЕЛЫ) ГИДРАВЛИКА

Схема запчастей Komatsu PC200SC-7-M1 - ГИДРОЛИНИЯ СТРЕЛЫ (ГИДРОЛИНИЯ СТРЕЛЫ) ГИДРАВЛИКА
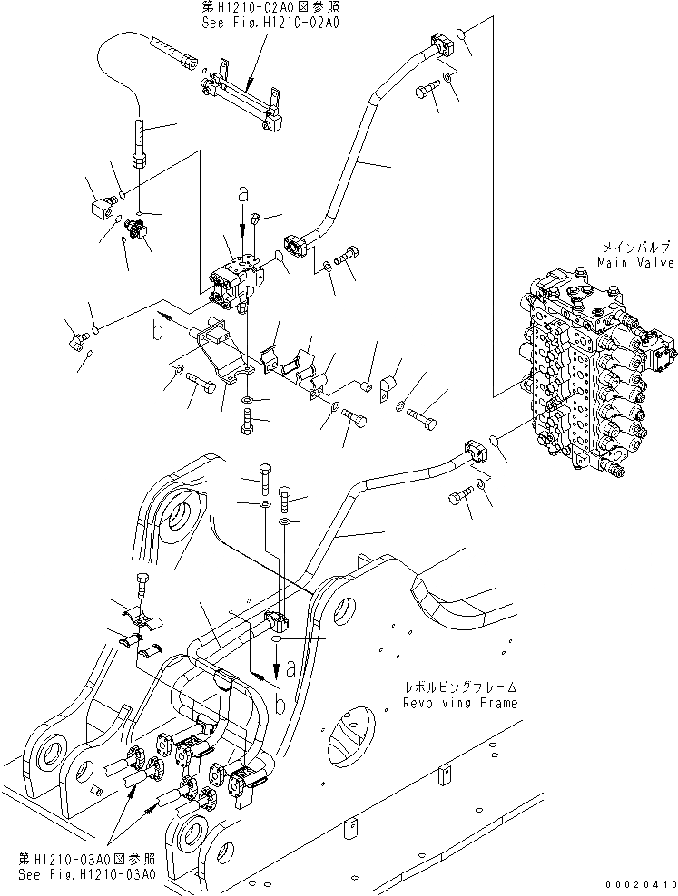
1
2
3
4
4
4
5
5
5
6
6
6
7
8
9
10
11
12
13
14
15
16
17
18
19
20
21
22
23
24
25
26
27
28
28
29
29
30
31
32
33
34
35
36
37
FIT
1:1
100%

Артикул

Название

Примечание

Количество

1

20Y-62-46830

TUBE

2

20Y-62-46840

TUBE

3

20Y-62-46820

TUBE

4

21T-09-11460

O-RING

5

07372-21040

BOLT

6

01643-51032

WASHER

7

07000-13030

O-RING

8

07372-21045

BOLT

9

01643-51032

WASHER

10

07372-21060

BOLT

11

01643-51032

WASHER

12

20Y-62-13230

CLAMP

13

20Y-62-13760

SEAT

14

20Y-62-46810

BRACKET

15

01010-81265

BOLT

16

01643-31232

WASHER

17

702-21-04220

VALVE ASS'Y

18

01010-81225

BOLT

19

01643-31232

WASHER

20

07049-01012

PLUG

21

02782-10315

ELBOW

22

07002-12034

O-RING

23

02896-11009

O-RING

24

20F-61-12460

ELBOW

25

07002-11423

O-RING

26

207-62-72141

ELBOW

27

07002-11423

O-RING

28

02896-11008

O-RING

29

20Y-62-13220

CLAMP

30

20Y-62-13760

SEAT

31

20Y-62-17930

CLIP

32

202-54-11270

COLLAR

33

01010-81230

BOLT

34

01643-51232

WASHER

35

01010-81255

BOLT

36

01643-31232

WASHER

37

02760-00206

HOSE

Выбрано товаров: 37