Запчасти Komatsu PC200SC-7-M1 ОСНОВН. КОНСТРУКЦИЯ (ЗАДН. РАМА И ОМЫВАТЕЛЬ СТЕКЛА) КАБИНА ОПЕРАТОРА И СИСТЕМА УПРАВЛЕНИЯ

Схема запчастей Komatsu PC200SC-7-M1 - ОСНОВН. КОНСТРУКЦИЯ (ЗАДН. РАМА И ОМЫВАТЕЛЬ СТЕКЛА) КАБИНА ОПЕРАТОРА И СИСТЕМА УПРАВЛЕНИЯ
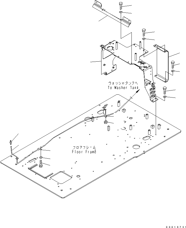
1
2
3
4
5
5
6
6
7
8
9
10
11
12
12
13
14
15
FIT
1:1
100%

Артикул

Название

Примечание

Количество

1

20Y-54-65141

BRACKET

2

01010-81016

BOLT

3

01643-31032

WASHER

4

20Y-54-65161

BRACKET

5

01010-81025

BOLT

6

01643-31032

WASHER

7

20Y-54-65151

BRACKET

8

01010-80820

BOLT

9

113-43-23230

WASHER

10

20Y-06-31490

HOSE¤ 2000MM

11

207-06-61490

VALVE

12

21T-38-12270

CLIP

13

01010-81016

BOLT

14

01643-31032

WASHER

15

01580-01008

NUT

Выбрано товаров: 15