Запчасти Komatsu PC20FR-2 ГИДР. БАК. ГИДРАВЛИКА

Схема запчастей Komatsu PC20FR-2 - ГИДР. БАК. ГИДРАВЛИКА
FIT
1:1
100%

Артикул

Название

Примечание

Количество

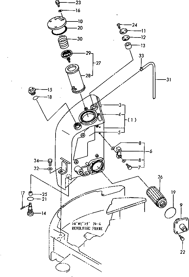
1

YM77218375100K

RESERVOIR ASS'Y

3

YM172183-14230

..RUBBER,SEAL

4

YM172519-65300

..RUBBER

5

YM172183-75490

..INSULATOR,SEAL

6

YM172122-75600

.GAUGE,OIL LEVEL

7

YM172122-75620

..BOLT

8

YM172122-75630

..GASKET

9

YM17218375410K

.FLANGE,SUCTION

10

YM17214175430K

.COVER,INTAKE

11

YM17216575450K

.PLATE

12

YM172165-75460

.GASKET

13

YM172165-75481

.ELEMENT

14

YM172183-75750

.PLUG,DRAIN

15

YM17211675850K

.PLUG,OIL FEED

16

YM22137-080000

.WASHER

17

YM22417-200160

.PIN

18

YM24311-000380

.O-RING

19

YM24321-001050

.O-RING

20

YM24321-001050

.O-RING

21

YM24341-000300

.O-RING

22

YM26013-080162

.BOLT

23

YM26013-080202

.BOLT

24

YM26022-050102

.SCREW

25

YM933171-23042

.MAGNET

26

YM172146-73730

.FILTER,SUCTION

27

YM172141-73750

.FILTER ASS'Y,RETURN

28

YM172141-73760

..ELEMENT

29

YM172141-73770

..VALVE ASS'Y,BYPASS

30

YM933152-02710

.SPRING,SIDE CLUTCH

31

YM172183-75360

HOSE

32

YM22217-140000

WASHER,SPRING

33

YM124766-59050

CLAMP

34

YM26116-140352

BOLT

Выбрано товаров: 33