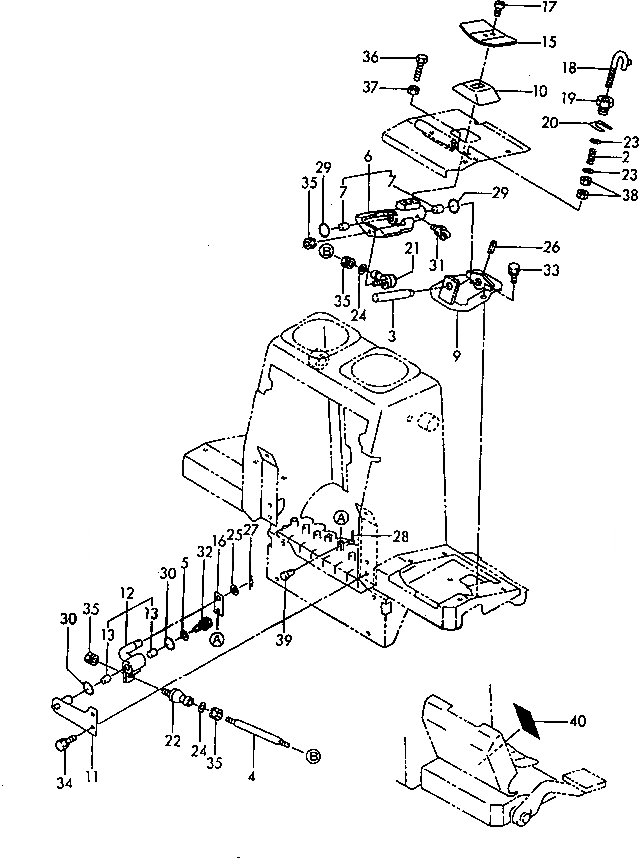
Запчасти Komatsu PC20FR-2 МЕХ-М ОТБОРА МОЩН-ТИ ПЕДАЛЬ И МЕХАНИЗМ КАБИНА ОПЕРАТОРА И СИСТЕМА УПРАВЛЕНИЯ

Схема запчастей Komatsu PC20FR-2 - МЕХ-М ОТБОРА МОЩН-ТИ ПЕДАЛЬ И МЕХАНИЗМ КАБИНА ОПЕРАТОРА И СИСТЕМА УПРАВЛЕНИЯ
FIT
1:1
100%

Артикул

Название

Примечание

Количество

1

YM17218374811K

P.T.O. KIT,FRAME

2

YM1C6141-35370

SPRING,LOCK

3

YM172146-41910

PIN

4

YM172150-42630

ROD,BUCKET

5

YM1A1040-43900

WASHER

6

YM17218345210K

LINK,PEDAL

7

YM172141-41360

BUSHING

9

YM172183-45240-K

BRACKET,PEDAL

10

YM172157-45990

BOOTS,PEDAL

11

YM17218346100K

SHAFT ASS'Y,P.T.O

12

YM17218346120K

LINK ASS'Y,P.T.O.

13

YM172141-41360

BUSHING

15

YM17216546281K

PEDAL ASS'Y,SWING

16

YM172156-46340

ROD,SPOOL

17

YM172165-46340

BOLT

18

YM172165-46450

LOCK

19

YM172165-46480

BOLT

20

YM172165-46490

SHIM

21

YM172122-46590

END

22

YM172122-47250

BALL,LINK

23

YM22137-080000

WASHER

24

YM22137-080000

WASHER

25

YM22137-120000

WASHER

26

YM22351-040032

PIN

27

YM22372-120000

PIN,SNAP

28

YM22417-160160

PIN,COTTER

29

YM24311-000210

O-RING

30

YM24311-000210

O-RING

31

YM24761-050000

FITTING,GREASE

32

YM26013-080202

BOLT

33

YM26013-100202

BOLT

34

YM26013-100252

BOLT

35

YM26051-080002

NUT

36

YM26116-080304

BOLT

37

YM26716-080002

NUT

38

YM26716-080002

NUT

39

YM933110-54100

PIN

40

YM172165-03231

LABEL,P.T.O.

Выбрано товаров: 38