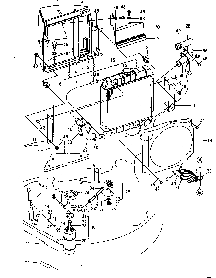
Запчасти Komatsu PC20FR-2 РАДИАТОР И КРЕПЛЕНИЕ СИСТЕМА ОХЛАЖДЕНИЯ

Схема запчастей Komatsu PC20FR-2 - РАДИАТОР И КРЕПЛЕНИЕ СИСТЕМА ОХЛАЖДЕНИЯ
FIT
1:1
100%

Артикул

Название

Примечание

Количество

1

YM17218313300K

MOUNT ASS'Y,RADIATOR

3

YM172183-13460

SEAL,RADIATOR

4

YM172183-13470

SEAL,RADIATOR

5

YM172183-13490

SEAL,RADIATOR

6

YM172183-13510

SEAL,RADIATOR

7

YM172183-65530

RUBBER,SEAL

8

YM172122-13310

CUSHION,RADIATOR

9

YM1E6511-03220

HOSE,FUEL

10

YM17218313430K

PLATE,SEAL

11

YM17218313440K

BRACKET

12

YM172183-13480

RUBBER,SEAL

13

YM17218313550K

BRACKET

14

YM17242113600K

SHROUD ASS'Y

15

YM119233-44510

RADIATOR

16

YM124450-44590

CAP,RADIATOR

17

YM124738-49150

PIPE,WATER DRAIN

18

YM121250-44590

CLAMP

19

YM121450-44510

TANK ASS'Y

20

YM121450-44520

BODY,SUB TANK

21

YM121450-44530

CAP,TANK

22

YM124450-44560

CLAMP

23

YM23065-070180

PIPE

24

YM124450-44550

CLAMP,SUB TANK

25

YM172421-13550

WIRE NET,FAN

26

YM121256-44600

BRACKET,SUB TANK

27

YM172421-13180

TUBE,WATER

28

YM119253-49020

TUBE,WATER

29

YM121450-49110

VALVE ASS'Y,3-WAY

31

YM121250-49121

PLUG

32

YM24311-000160

O-RING

33

YM194202-56460

BAND

34

YM124766-59050

CLAMP

35

YM172122-13400

CLAMP

36

YM22137-060000

WASHER

37

YM22137-080000

WASHER

38

YM22137-080000

WASHER

39

YM22217-160000

WASHER

40

YM23010-038000

CLAMP

41

YM26013-060122

BOLT

42

YM26013-080122

BOLT

43

YM26013-080162

BOLT

44

YM26013-080162

BOLT

45

YM26013-080162

BOLT

46

YM26013-080162

BOLT

47

YM26013-080202

BOLT

48

YM26051-080002

NUT

49

YM26116-160402

BOLT

Выбрано товаров: 47