Качественные детали и логистика
Оригинальные и аналоговые запчасти с доставкой по России, Казахстану и Беларуси
©2022 PartSell ООО "Система" ИНН 2463123282 ОГРН 1212400004838
Центральный офис: г. Красноярск, Академика Киренского, д.87, пом.4
Телефон: 8 (800) 777-65-74 Email: zakaz@partsell.ru
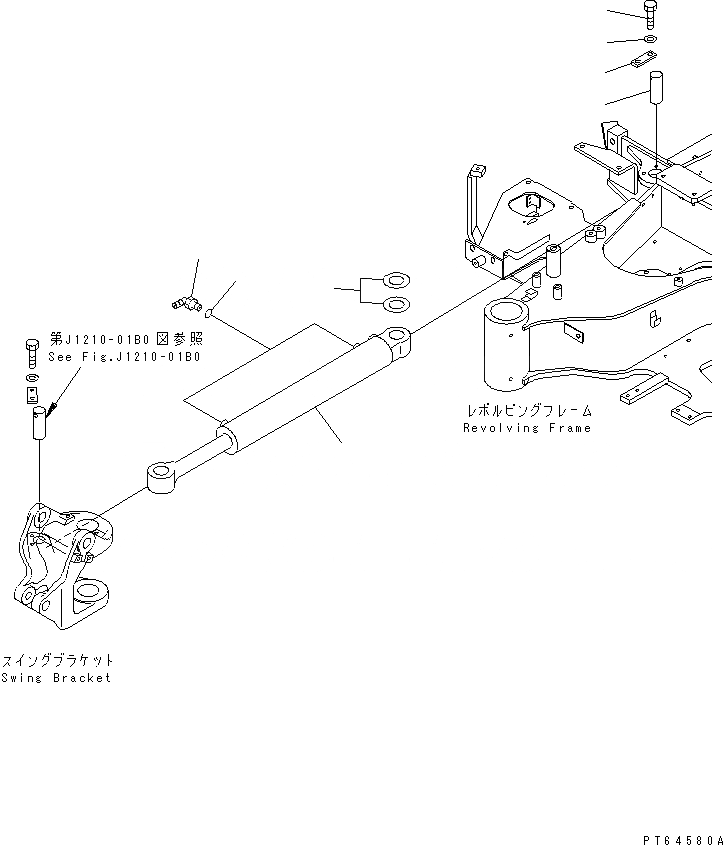
ЦИЛИНДР ПОВОРОТА СТРЕЛЫ
№
Артикул
Название
Примечание
Количество
1
721-00-70591
CYLINDER ASS'Y,BOOM SWING
721-00-70590
2
22K-70-11490
PIN
3
04082-00212
LOCK
4
01010-81225
BOLT
5
01643-31232
WASHER
6
21U-70-11740
SPACER, 1.0MM
7
07235-10210
ELBOW
8
07002-11423
O-RING
Выбрано товаров: 0