Запчасти Komatsu PC20MR-1 Э/ПРОВОДКА ПАНЕЛИ (ОТВАЛ И СКОРОСТЬ ДВИЖЕНИЯ РЫЧАГ УПРАВЛ-Я) КАБИНА ОПЕРАТОРА И СИСТЕМА УПРАВЛЕНИЯ

Схема запчастей Komatsu PC20MR-1 - Э/ПРОВОДКА ПАНЕЛИ (ОТВАЛ И СКОРОСТЬ ДВИЖЕНИЯ РЫЧАГ УПРАВЛ-Я) КАБИНА ОПЕРАТОРА И СИСТЕМА УПРАВЛЕНИЯ
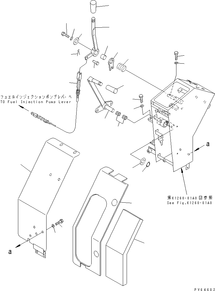
1
2
3
4
5
6
7
8
9
10
11
12
13
14
15
16
17
18
19
20
21
22
23
24
25
FIT
1:1
100%

Артикул

Название

Примечание

Количество

1

22K-43-12134

LEVER

2

203-43-44360

KNOB

3

06124-01616

BEARING

4

01640-21626

WASHER

5

04064-01610

RING,SNAP

6

01016-50825

BOLT

7

01580-10806

NUT

8

22K-43-12123

LEVER

9

203-43-44360

KNOB

10

709-74-91910

SPRING

11

09350-01815

BUSHING

12

124-54-26540

WASHER

13

01010-80820

BOLT

14

01643-30823

WASHER

15

21U-43-31631

PLATE

16

01016-50825

BOLT

17

01580-10806

NUT

18

22K-43-12310

CABLE

19

04205-10618

PIN

20

04050-11612

PIN,COTTER

21

22K-43-12151

PLATE

|21

22K-43-12160

HINGE (WELDED)

22

01010-80820

BOLT

23

01643-30823

WASHER

24

22K-43-12210

SHEET

25

22K-43-12221

SHEET

Выбрано товаров: 26