Запчасти Komatsu PC20MR-1 ОСНОВН. УПРАВЛ-Е (ХОД) (/) КАБИНА ОПЕРАТОРА И СИСТЕМА УПРАВЛЕНИЯ

Схема запчастей Komatsu PC20MR-1 - ОСНОВН. УПРАВЛ-Е (ХОД) (/) КАБИНА ОПЕРАТОРА И СИСТЕМА УПРАВЛЕНИЯ
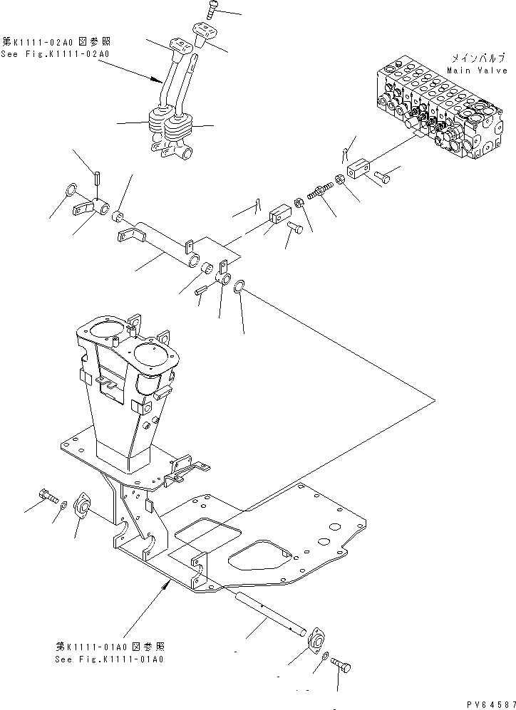
1
2
2
3
4
5
5
6
6
7
7
8
9
9
10
10
11
12
13
14
15
16
17
18
19
20
20
21
22
22
FIT
1:1
100%

Артикул

Название

Примечание

Количество

|1*

22K-43-11011

MAIN CONTROL ASS'Y

|1*

22K-43-11010

MAIN CONTROL ASS'Y

1

22K-43-11250

LEVER

|1

06600-00805

BUSHING

|1

06600-01008

BUSHING

2

06124-02020

BEARING

3

22K-43-11260

LEVER

|3

06600-01008

BUSHING

4

22K-43-11240

LEVER

|4

06600-00805

BUSHING

5

04025-00532

PIN,SPRING

6

20N-43-41290

BEARING

7

01640-22032

WASHER

8

22K-43-11230

SHAFT

9

01010-80816

BOLT

10

01643-30823

WASHER

11

04248-30810

ROD

12

20C-43-11320

YOKE

13

04205-10520

PIN

14

04050-11210

PIN,COTTER

15

01580-10806

NUT

16

04220-20832

YOKE,L.H. THREAD

17

04205-10822

PIN

18

04050-12015

PIN,COTTER

19

01508-40805

NUT,L.H. THREAD

20

20N-43-73310

KNOB

21

01225-40625

SCREW

22

20M-43-71222

BOOT

Выбрано товаров: 28