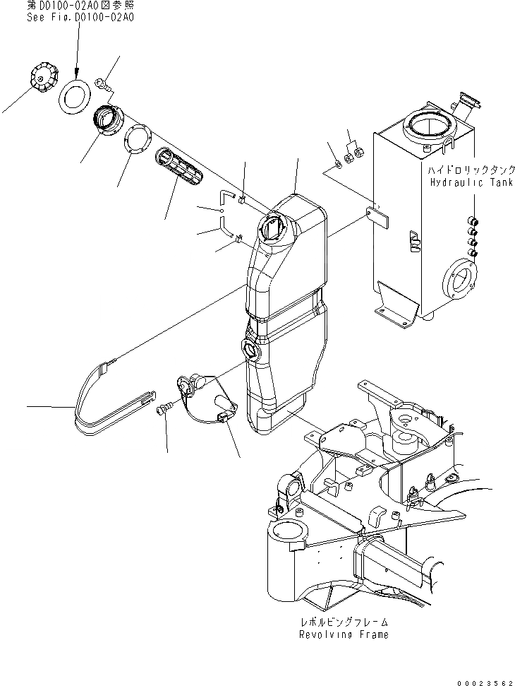
Запчасти Komatsu PC20MR-2-A ТОПЛИВН. БАК. ТОПЛИВН. БАК. AND КОМПОНЕНТЫ

Схема запчастей Komatsu PC20MR-2-A - ТОПЛИВН. БАК. ТОПЛИВН. БАК. AND КОМПОНЕНТЫ
1
2
3
4
5
6
7
8
9
9
10
11
12
13
14
FIT
1:1
100%

Артикул

Название

Примечание

Количество

1

22K-04-21110

FUEL TANK

2

22J-04-15221

FILLER

3

20M-04-81230

PACKING

4

01023-10514

SCREW

5

22L-04-21171

STRAINER

6

22J-04-15211

CAP

7

22K-04-21121

GAUGE

8

20N-04-81360

FLOAT

9

07285-00085

CLIP

10

20C-06-31211

GAUGE,FUEL LEVEL

|10

20M-06-72140

PACKING

11

01023-10514

SCREW

12

22K-04-21211

BAND

13

01580-10806

NUT

14

01643-30823

WASHER

Выбрано товаров: 15