Качественные детали и логистика
Оригинальные и аналоговые запчасти с доставкой по России, Казахстану и Беларуси
©2022 PartSell ООО "Система" ИНН 2463123282 ОГРН 1212400004838
Центральный офис: г. Красноярск, Академика Киренского, д.87, пом.4
Телефон: 8 (800) 777-65-74 Email: zakaz@partsell.ru
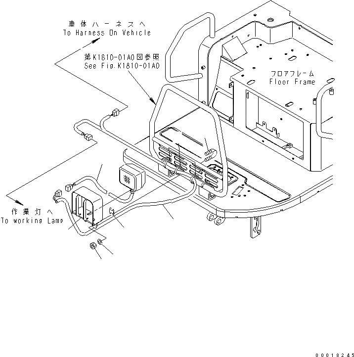
ДОПОЛН. РАБОЧ. ОСВЕЩЕНИЕ (НАВЕС)
№
Артикул
Название
Примечание
Количество
1
22L-06-21560
BRACKET
2
22M-06-11710
WORK LAMP ASS'Y
|2
104-06-41410
BULB¤ 55W
3
07283-32236
CLIP
4
07283-52232
SEAT
5
01582-11008
NUT
6
01643-31032
WASHER
7
22L-06-21550
WIRING HARNESS
8
08034-20536
BAND
Выбрано товаров: 0