Запчасти Komatsu PC20MR-2-A КРЕПЛЕНИЕ ОСН. КОНСТРУКЦИИ (НАКЛОН. СИСТЕМА) (НАВЕС) КАБИНА ОПЕРАТОРА И СИСТЕМА УПРАВЛЕНИЯ

Схема запчастей Komatsu PC20MR-2-A - КРЕПЛЕНИЕ ОСН. КОНСТРУКЦИИ (НАКЛОН. СИСТЕМА) (НАВЕС) КАБИНА ОПЕРАТОРА И СИСТЕМА УПРАВЛЕНИЯ
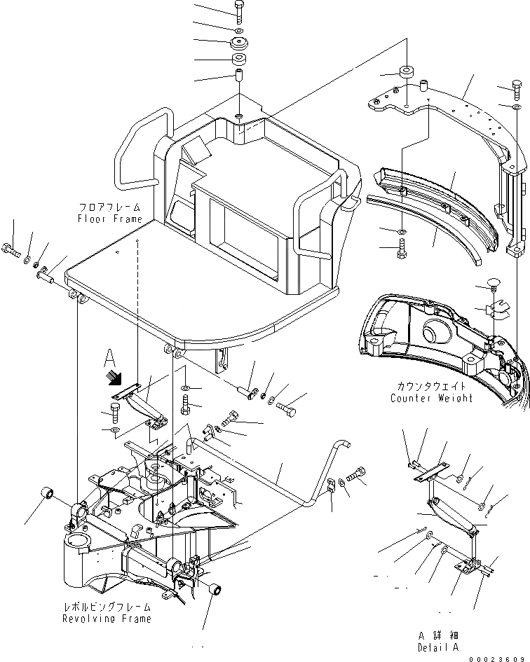
1
2
3
4
5
6
7
8
9
10
10
11
12
13
14
15
15
16
16
17
17
18
18
19
19
20
20
21
22
23
23
24
24
25
26
27
28
28
29
29
30
31
32
33
34
35
36
37
38
39
40
41
42
FIT
1:1
100%

Артикул

Название

Примечание

Количество

1

22K-54-22112

BRACKET

2

01010-81450

BOLT

3

195-71-32220

WASHER

4

22K-54-22281

SHIM¤ 1.0MM

5

22K-54-22290

CAP

6

22K-54-22133

COVER

7

22K-54-22261

SHEET

8

01010-81020

BOLT

9

01643-31032

WASHER

10

203-54-21110

CUSHION

11

22L-54-22321

COLLAR

12

22L-54-22332

COLLAR

13

01011-81600

BOLT

14

01643-31645

WASHER

15

22L-54-22231

BUSHING

16

22L-54-22190

PIN

17

22J-70-11550

COLLAR

18

01010-81020

BOLT

19

01643-31032

WASHER

20

22L-54-22390

GAS SPRING

21

04205-31032

PIN

22

04205-31042

PIN

23

04052-21038

PIN,SNAP

24

01643-31032

WASHER

25

22L-54-22280

WIRE

26

04205-30830

PIN

27

22L-54-22250

PIN

28

01643-30823

WASHER

29

04052-20833

PIN,SNAP

30

22K-54-22120

BRACKET

31

01010-81025

BOLT

32

01643-31032

WASHER

33

22L-54-22751

BRACKET

34

01010-81025

BOLT

35

01643-31032

WASHER

36

22L-54-22131

BAR

37

22L-54-22211

CLAMP

38

01010-81040

BOLT

39

01643-31032

WASHER

40

22K-54-22270

CLAMP

41

01010-81075

BOLT

42

01643-31032

WASHER

Выбрано товаров: 42