Запчасти Komatsu PC20MR-2-A ПРАВ. КРЫШКА(/) ЧАСТИ КОРПУСА

Схема запчастей Komatsu PC20MR-2-A - ПРАВ. КРЫШКА(/) ЧАСТИ КОРПУСА
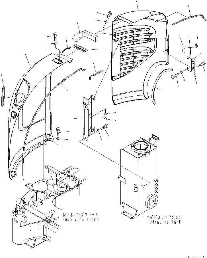
1
2
3
4
5
6
6
7
7
8
9
10
11
12
13
14
15
16
17
18
19
20
21
21
22
22
23
24
25
FIT
1:1
100%

Артикул

Название

Примечание

Количество

1

22K-54-21412

COVER

2

22K-54-21430

GARNISH

3

22K-54-21440

GARNISH

4

22K-54-21460

GARNISH

5

22K-54-21670

SEAL

6

01010-81020

BOLT

7

01643-31032

WASHER

8

22K-54-21513

COVER

9

22K-54-21521

BRACKET

10

01010-80816

BOLT

11

01643-30823

WASHER

12

203-54-32260

STOPPER

13

22L-54-23750

PLATE

14

04205-10620

PIN

15

01602-20619

WASHER,SPRING

16

04050-11612

PIN,COTTER

17

22K-54-21531

SHEET

18

22K-54-21590

GARNISH

19

22K-54-21680

SEAL

20

22K-54-21552

HINGE

21

01010-80816

BOLT

22

01643-30823

WASHER

23

22L-54-21141

ROD

24

01643-30823

WASHER

25

04050-12015

PIN,COTTER

Выбрано товаров: 25