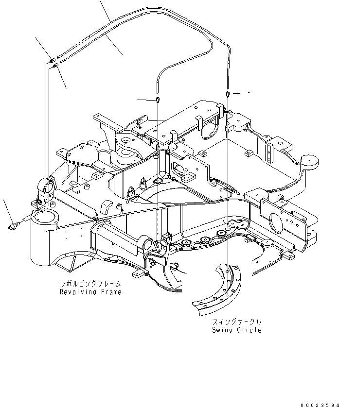
Запчасти Komatsu PC20MR-2-B СИСТЕМА СМАЗКИ ОСНОВНАЯ РАМА И ЕЕ ЧАСТИ

Схема запчастей Komatsu PC20MR-2-B - СИСТЕМА СМАЗКИ ОСНОВНАЯ РАМА И ЕЕ ЧАСТИ
1
1
1
1
2
3
4
FIT
1:1
100%

Артикул

Название

Примечание

Количество

1

21R-46-11411

NIPPLE

2

07020-00000

FITTING,GREASE

3

22K-46-21330

TUBE

4

22L-46-21330

TUBE

Выбрано товаров: 4