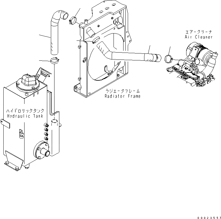
Запчасти Komatsu PC20MR-2 ВОЗДУХООЧИСТИТЕЛЬ КОМПОНЕНТЫ (ОДИНОЧН. ЭЛЕМЕНТ) КОМПОНЕНТЫ ДВИГАТЕЛЯ

Схема запчастей Komatsu PC20MR-2 - ВОЗДУХООЧИСТИТЕЛЬ КОМПОНЕНТЫ (ОДИНОЧН. ЭЛЕМЕНТ) КОМПОНЕНТЫ ДВИГАТЕЛЯ
1
2
2
3
4
4
FIT
1:1
100%

Артикул

Название

Примечание

Количество

1

22K-01-21511

HOSE

2

07281-00609

CLAMP

3

22K-01-21521

HOSE

4

07281-00609

CLAMP

Выбрано товаров: 4