Запчасти Komatsu PC20MR-2 КАБИНА (КОНСОЛЬ ЛЕВ.) КАБИНА ОПЕРАТОРА И СИСТЕМА УПРАВЛЕНИЯ

Схема запчастей Komatsu PC20MR-2 - КАБИНА (КОНСОЛЬ ЛЕВ.) КАБИНА ОПЕРАТОРА И СИСТЕМА УПРАВЛЕНИЯ
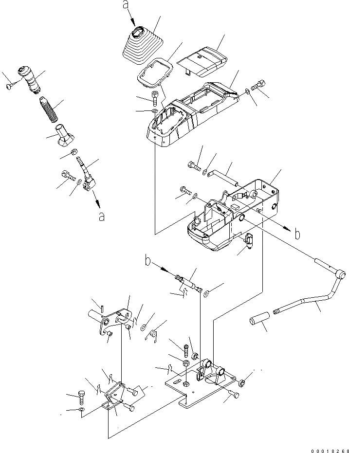
1
2
3
4
5
6
6
7
7
8
9
10
11
12
12
13
13
14
15
16
16
17
18
19
20
21
22
23
24
25
26
27
28
29
30
31
32
33
33
34
35
36
37
38
39
40
41
FIT
1:1
100%

Артикул

Название

Примечание

Количество

1

22M-43-21291

STOPPER

2

01010-D0825

BOLT

3

01643-70823

WASHER

4

22M-43-21551

GUIDE

5

04205-30832

PIN

6

04050-12015

PIN,COTTER

7

21U-43-32430

COLLAR

8

22B-54-15560

STOPPER

9

01580-11008

NUT

10

22M-43-21111

BRACKET,L.H.

11

22M-54-22111

COVER,PANEL

12

01252-80616

BOLT

13

01643-70623

WASHER

14

22M-43-21660

SPRING, GAS

15

04205-30822

PIN

16

04052-20833

PIN,SNAP

17

01643-30823

WASHER

18

22M-43-21151

PIN

19

01010-D0612

BOLT

20

01643-70623

WASHER

21

22M-54-22131

COVER

|$33

22M-43-21630

LEVER ASS'Y,L.H.

22

22M-43-21640

LEVER,L.H.

|$35

20Y-43-22620

KNOB

23

01370-10308

SCREW

24

20Y-43-22630

KNOB,L.H.

25

20Y-43-22421

INSERT

26

20Y-43-22250

PLATE

27

20Y-43-22261

BOOT

28

20Y-43-22370

BOOT

29

600-411-1280

NUT

30

01252-71025

BOLT

31

01643-51032

WASHER

32

22M-43-21680

LEVER,L.H.

33

06124-01616

BEARING

34

22M-43-21470

KNOB

35

20T-43-71280

PIN

36

22M-43-21560

SPRING

37

04052-20833

PIN,SNAP

38

01643-30823

WASHER

39

22M-43-21170

SWITCH ASS'Y

40

01245-00616

SCREW

41

01643-70623

WASHER

Выбрано товаров: 43