Запчасти Komatsu PC20MR-2 КАБИНА (ЭЛЕКТР.) (БЕЗОПАСН. KEY ТИП) КАБИНА ОПЕРАТОРА И СИСТЕМА УПРАВЛЕНИЯ

Схема запчастей Komatsu PC20MR-2 - КАБИНА (ЭЛЕКТР.) (БЕЗОПАСН. KEY ТИП) КАБИНА ОПЕРАТОРА И СИСТЕМА УПРАВЛЕНИЯ
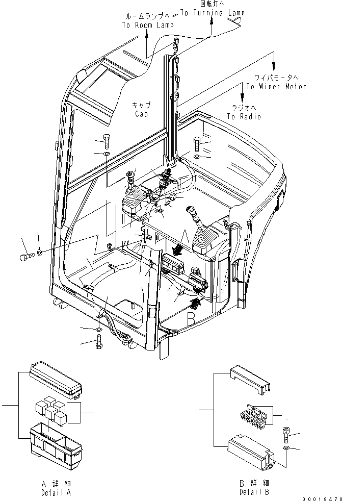
1
2
3
4
5
6
6
6
6
7
8
9
10
11
12
13
14
15
16
17
18
19
20
21
22
FIT
1:1
100%

Артикул

Название

Примечание

Количество

1

22M-06-24313

WIRING HARNESS

2

22M-06-24260

BOX

3

20U-06-42520

RELAY, 5-TERMINAL

4

08044-01000

FUSE BOX

5

08041-01000

FUSE, 10A

5

08041-02000

FUSE, 20A

5

08041-03000

FUSE, 30A

6

04434-52711

CLIP

7

01010-81020

BOLT

8

01643-31032

WASHER

9

08053-01510

CLIP

10

01010-81020

BOLT

11

01643-31032

WASHER

12

21Y-06-11260

BUZZER ASS'Y

13

21Y-06-11270

PLATE

14

01010-80612

BOLT

15

01643-30623

WASHER

16

01252-80620

BOLT

17

01643-70623

WASHER

18

20S-06-31130

STARTING SWITCH

19

08034-40521

BAND

20

04434-52711

CLIP

21

01010-D1025

BOLT

22

01643-71032

WASHER

Выбрано товаров: 24