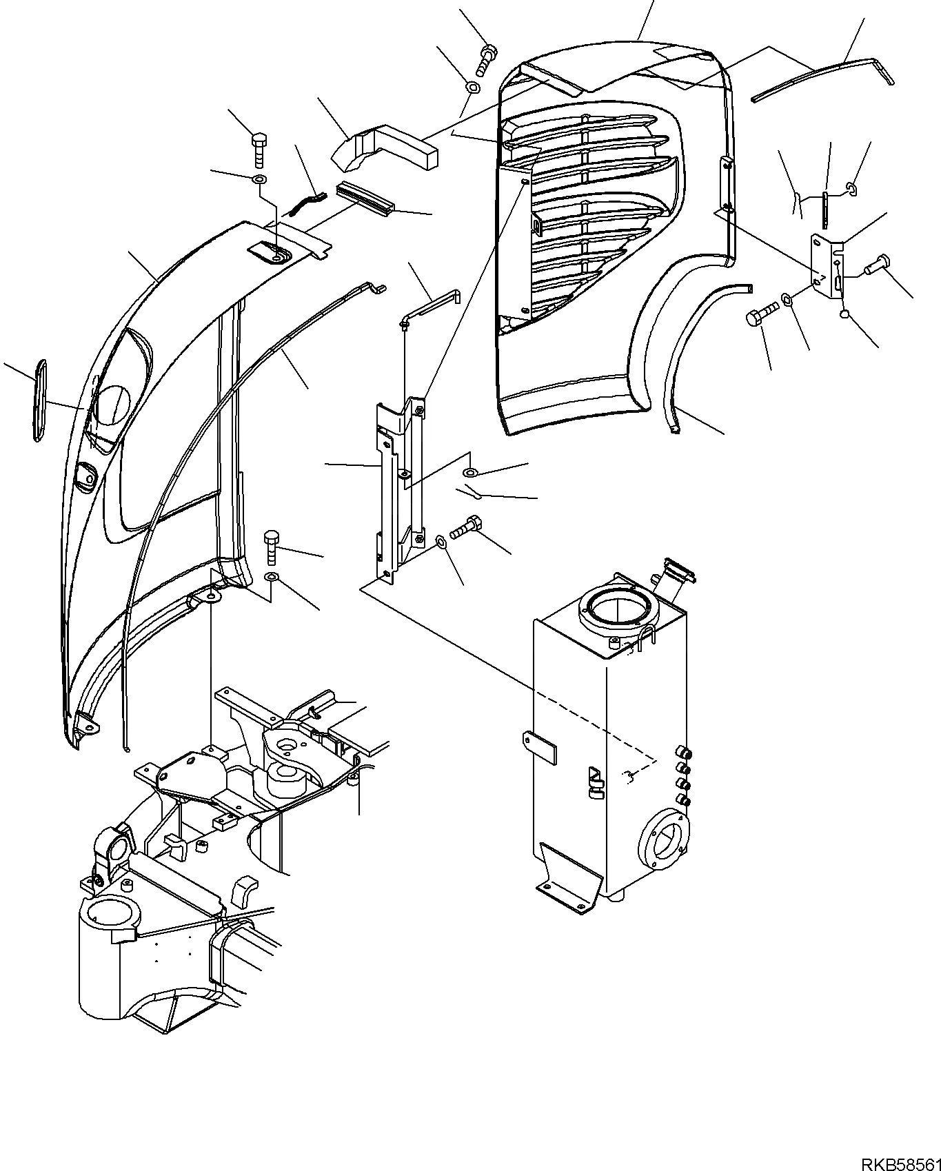
Запчасти Komatsu PC20MR-2 ПРАВ. КРЫШКА(/) ЧАСТИ КОРПУСА И КАБИНА

Схема запчастей Komatsu PC20MR-2 - ПРАВ. КРЫШКА(/) ЧАСТИ КОРПУСА И КАБИНА
8
21
18
22
17
6
13
15
3
16
7
9
5
1
23
14
4
12
11
10
2
19
24
20
25
6
21
22
7
FIT
1:1
100%

Артикул

Название

Примечание

Количество

1

22K-54-21412

COVER, R.H.

2

22K-54-21430

GASKET

3

22K-54-21440

GASKET

4

22K-54-21460

GASKET

5

22K-54-21670

SEAL

6

01010-81020

BOLT

7

01643-11032

WASHER

8

22K-54-21513

COVER R.H.

9

22K-54-21521

BRACKET

10

01010-80816

BOLT

11

01643-30823

WASHER

12

203-54-32260

STOPPER

13

22L-54-23750

PLATE

14

04205-10620

PIN

15

01602-20619

WASHER, SPRING

16

04050-11612

PIN, COTTER

17

22K-54-21531

SHEET

18

22K-54-21590

GASKET

19

22K-54-21680

SEAL

20

22K-54-21551

HINGE

21

01010-80816

BOLT

22

01643-10823

WASHER

23

22L-54-21141

ROD

24

01643-10823

WASHER

25

04050-12015

PIN, COTTER

Выбрано товаров: 25