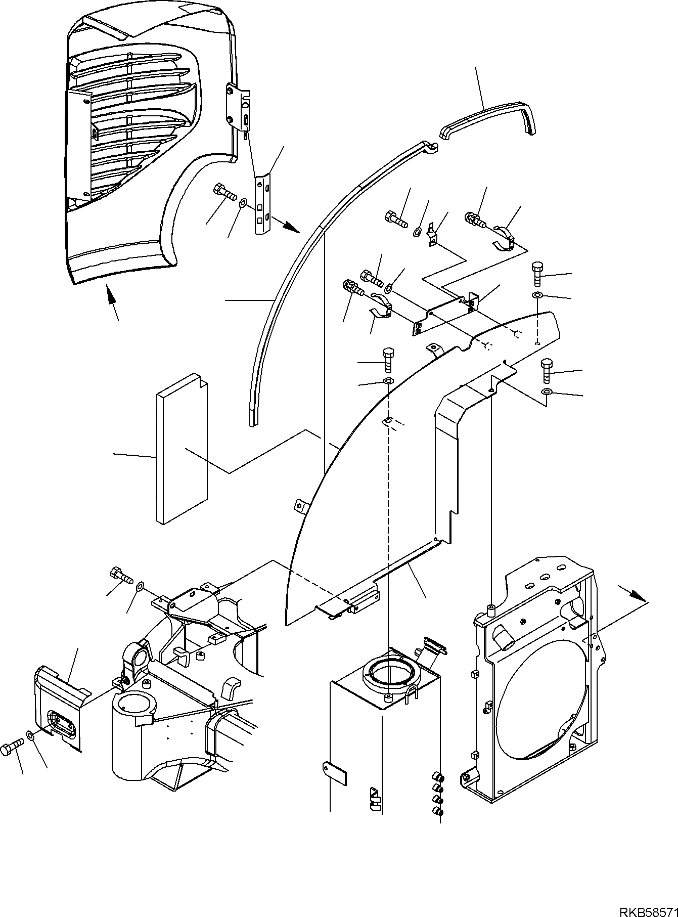
Запчасти Komatsu PC20MR-2 ПРАВ. КРЫШКА(/) ЧАСТИ КОРПУСА И КАБИНА

Схема запчастей Komatsu PC20MR-2 - ПРАВ. КРЫШКА(/) ЧАСТИ КОРПУСА И КАБИНА
16
1
7
8
9
6
11
2
8
3
9
14
5
15
17
7
6
12
12
13
13
10
14
4
15
18
20
19
A
a
a
FIT
1:1
100%

Артикул

Название

Примечание

Количество

1

22L-54-23730

BRACKET

2

01010-80816

BOLT

3

01643-10823

WASHER

4

22K-54-R1812

COVER

5

22K-54-21640

BRACKET

6

203-54-63230

CLAMP

7

01023-60614

SCREW

8

01010-80816

BOLT

9

01643-30823

WASHER

10

22K-54-21861

SHEET

11

08053-01510

CLIP

12

01010-81020

BOLT

13

01643-11032

WASHER

14

01010-81025

BOLT

15

01643-11032

WASHER

16

22K-54-21831

SEAL

17

22K-54-R1842

SEAL

18

22K-54-21422

COVER

19

01010-81020

BOLT

20

01643-11032

WASHER

Выбрано товаров: 20