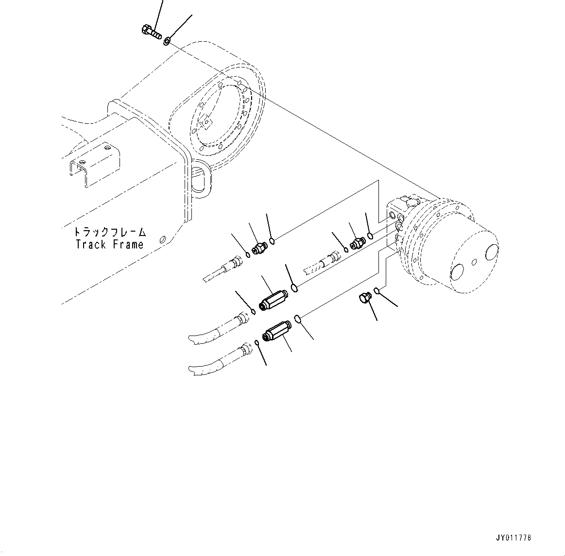
Запчасти Komatsu PC20MR-3 ГУСЕНИЧНАЯ РАМА, МОТОР ХОДА КОМПОНЕНТЫ (№-) ГУСЕНИЧНАЯ РАМА, СКОРОСТЬ ДВИЖЕНИЯ УПРАВЛ-Е, SPEED ТИП

Схема запчастей Komatsu PC20MR-3 - ГУСЕНИЧНАЯ РАМА, МОТОР ХОДА КОМПОНЕНТЫ (№-) ГУСЕНИЧНАЯ РАМА, СКОРОСТЬ ДВИЖЕНИЯ УПРАВЛ-Е, SPEED ТИП
2
1
3
8
7
9
2
1
3
4
5
6
13
12
11
10
FIT
1:1
100%

Артикул

Название

Примечание

Количество

1

22S-62-81730

Nipple

2

07000-12014

O-ring

3

02896-11009

O-ring

4

11Y-62-12140

Nipple

5

02896-11008

O-ring

6

07000-12011

O-ring

7

22F-62-31120

Nipple

8

02896-11008

O-ring

9

07000-12011

O-ring

10

20N-62-31220

Plug

11

07000-12011

O-ring

12

01010-81030

Bolt

13

01643-31032

Washer

Выбрано товаров: 13