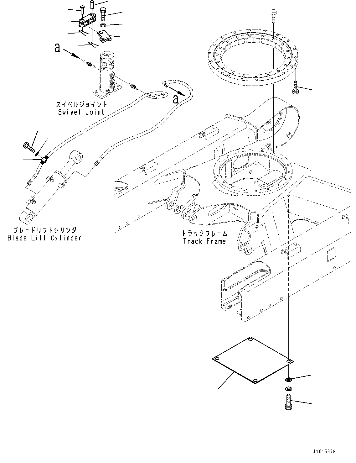
Запчасти Komatsu PC20MR-3 ГУСЕНИЧНАЯ РАМА, КРЕПЛЕНИЕ (№9-) ГУСЕНИЧНАЯ РАМА, СКОРОСТЬ ДВИЖЕНИЯ УПРАВЛ-Е, SPEED ТИП, NARROW ШИР. ТИП, ДЛЯ KOREA

Схема запчастей Komatsu PC20MR-3 - ГУСЕНИЧНАЯ РАМА, КРЕПЛЕНИЕ (№9-) ГУСЕНИЧНАЯ РАМА, СКОРОСТЬ ДВИЖЕНИЯ УПРАВЛ-Е, SPEED ТИП, NARROW ШИР. ТИП, ДЛЯ KOREA
1
15
14
13
16
3
2
5
4
6
8
12
11
9
10
7
FIT
1:1
100%

Артикул

Название

Примечание

Количество

1

01010-81255

Bolt

2

04205-11648

Pin

3

04050-14028

Pin, Cotter

4

04434-52110

Clip

5

01010-81020

Bolt

6

01643-31032

Washer

7

22L-62-21330

Yoke

8

22L-62-21311

Plate

9

04205-11648

Pin

10

04050-14028

Pin, Cotter

11

01010-81435

Bolt

12

01643-31445

Washer, Flat

13

22K-30-21130

Cover

14

103-54-21160

Collar

15

01010-81025

Bolt

16

01643-31032

Washer

Выбрано товаров: 16