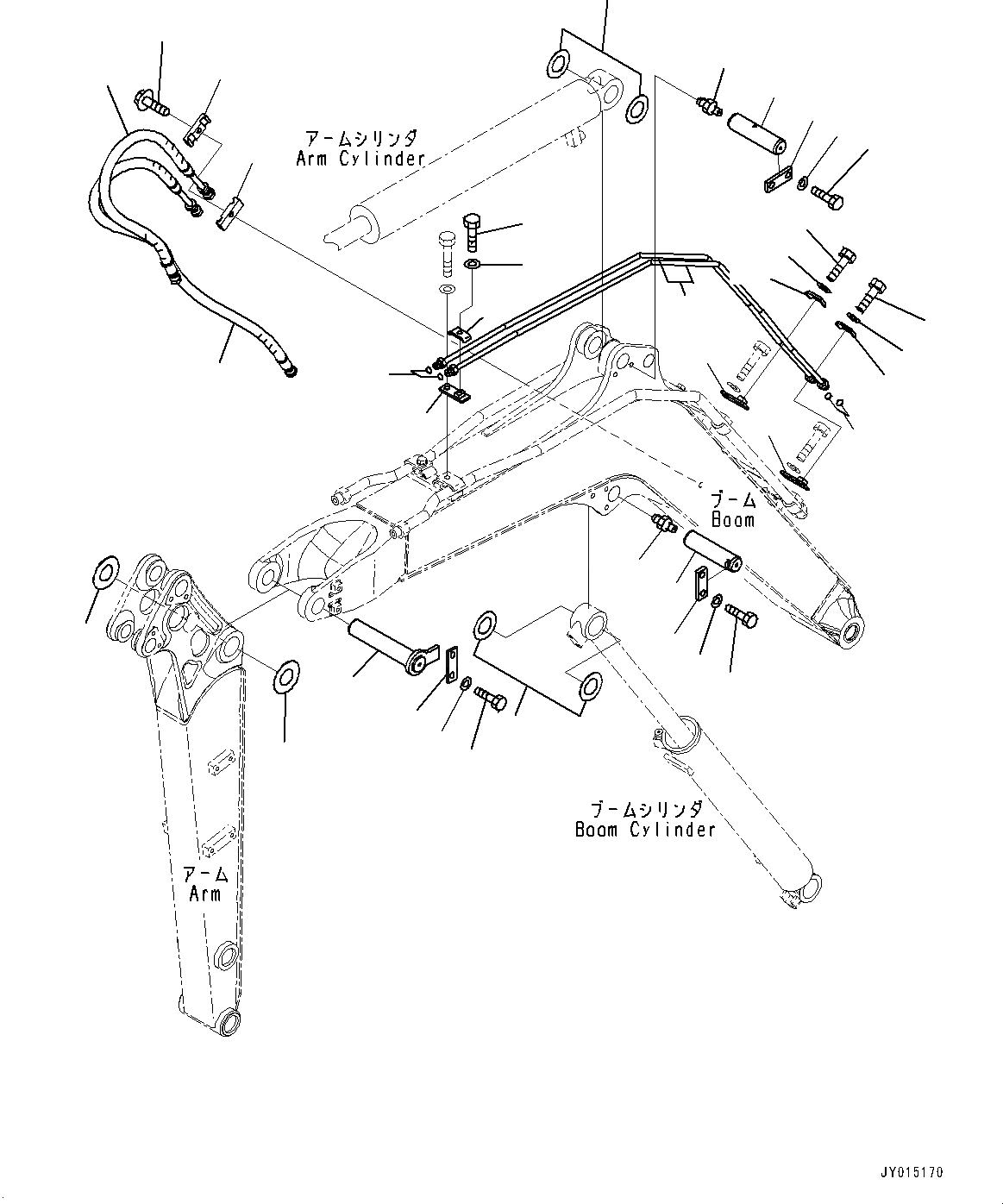
Запчасти Komatsu PC20MR-3 СТРЕЛА, ТРУБЫ СТРЕЛЫ (/) (№-) СТРЕЛА, ДЛЯ KOREA, 8MM СТРЕЛА, ГИДРОМОЛОТ

Схема запчастей Komatsu PC20MR-3 - СТРЕЛА, ТРУБЫ СТРЕЛЫ (/) (№-) СТРЕЛА, ДЛЯ KOREA, 8MM СТРЕЛА, ГИДРОМОЛОТ
25
26
17
23
22
24
27
19
20
18
21
21
6
2
4
1
5
3
11
7
10
12
11
12
9
10
8
7
7
10
12
11
9
15
14
13
15
16
FIT
1:1
100%

Артикул

Название

Примечание

Количество

1

22K-70-21320

Pin

2

07020-00000

Fitting, Grease

3

04082-00212

Lock

4

01010-81230

Bolt

5

01643-31232

Washer

6

20N-70-41270

Spacer, T=1.0mm

7

22L-62-33520

Clamp

8

22K-62-35621

Tube

8

22K-62-35620

Tube

9

02896-11008

O-ring

10

20M-62-33260

Clamp

11

01010-80820

Bolt

12

01643-30823

Washer

13

22K-62-33260

Hose Assembly

14

22K-62-33170

Hose Assembly

15

22K-62-33460

Clamp

16

01010-81045

Bolt

17

22K-70-21160

Pin

18

20M-70-61120

Plate

19

01010-81020

Bolt

20

01643-31032

Washer

21

22K-70-11170

Spacer, T=1.0mm

21

22K-70-11151

Spacer, T=0.5mm

22

22K-70-21320

Pin

23

07020-00000

Fitting, Grease

24

04082-00212

Lock

25

01010-81230

Bolt

26

01643-31232

Washer

27

20N-70-41270

Spacer, T=1.0mm

Выбрано товаров: 29