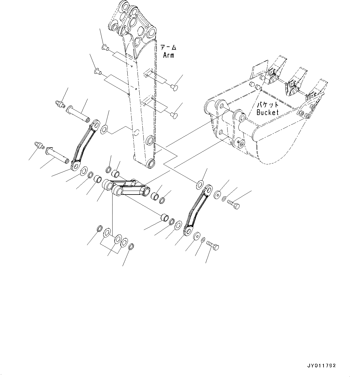
Запчасти Komatsu PC20MR-3 РУКОЯТЬ, СОЕДИНЕНИЕ КОВША (№-8) РУКОЯТЬ, ДЛЯ 97MM УСИЛ.ENED РУКОЯТЬ, -НАВЕСН. ОБОРУД

Схема запчастей Komatsu PC20MR-3 - РУКОЯТЬ, СОЕДИНЕНИЕ КОВША (№-8) РУКОЯТЬ, ДЛЯ 97MM УСИЛ.ENED РУКОЯТЬ, -НАВЕСН. ОБОРУД
2
11
1
3
3
2
3
3
11
4
8
3
9
11
10
8
9
12
10
3
2
2
13
13
13
13
7
6
5
12
6
7
FIT
1:1
100%

Артикул

Название

Примечание

Количество

|$0

22K-70-21521

Link Assembly

1

Link

2

22K-70-21530

Bushing

3

22K-70-21540

Seal, Dust

4

22K-70-21811

Link

5

22K-70-21821

Link

6

22K-70-21621

Pin

7

07020-00000

Fitting, Grease

8

22K-70-21630

Washer

9

01010-81435

Bolt

10

01643-31445

Washer, Flat

11

20N-70-11280

Spacer, T=1.0mm

12

22K-70-21580

Spacer, T=1.0mm

13

21U-70-31390

Cap

Выбрано товаров: 14