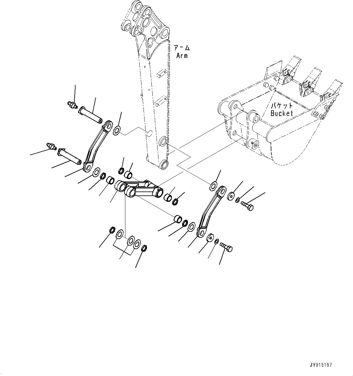
Запчасти Komatsu PC20MR-3 РУКОЯТЬ, СОЕДИНЕНИЕ КОВША (№-) РУКОЯТЬ, ДЛЯ KOREA, 97MM РУКОЯТЬ, ГИДРОМОЛОТ

Схема запчастей Komatsu PC20MR-3 - РУКОЯТЬ, СОЕДИНЕНИЕ КОВША (№-) РУКОЯТЬ, ДЛЯ KOREA, 97MM РУКОЯТЬ, ГИДРОМОЛОТ
12
11
10
5
11
12
2
2
3
8
10
7
6
8
9
7
3
6
4
9
3
3
2
3
3
1
9
2
FIT
1:1
100%

Артикул

Название

Примечание

Количество

|$0

22K-70-21521

Link Assembly

1

Link

2

22K-70-21530

Bushing

3

22K-70-21540

Seal, Dust

4

22K-70-21811

Link

5

22K-70-21821

Link

6

22K-70-21630

Washer

7

01010-81435

Bolt

8

01643-31445

Washer, Flat

9

20N-70-11280

Spacer, T=1.0mm

10

22K-70-21580

Spacer, T=1.0mm

11

22K-70-23350

Pin

12

07020-00000

Fitting, Grease

Выбрано товаров: 13