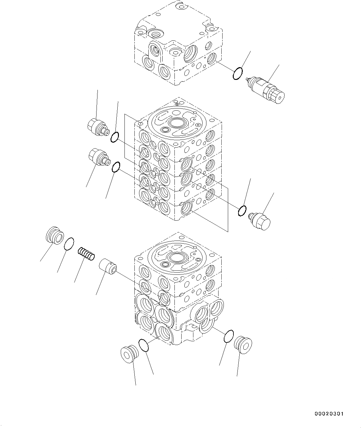
Запчасти Komatsu PC20MR-3 УПРАВЛЯЮЩ. КЛАПАН, ВНУТР. ЧАСТИ (/) (№-) УПРАВЛЯЮЩ. КЛАПАН, С СИГНАЛ ХОДА

Схема запчастей Komatsu PC20MR-3 - УПРАВЛЯЮЩ. КЛАПАН, ВНУТР. ЧАСТИ (/) (№-) УПРАВЛЯЮЩ. КЛАПАН, С СИГНАЛ ХОДА
2
1
1
2
3
4
9
10
5
6
5
6
7
8
6
5
FIT
1:1
100%

Артикул

Название

Примечание

Количество

|$0

723-18-18400

Valve, Control

1

723-20-80100

Valve Assembly, Suction

2

07002-12034

O-ring

3

723-10-80200

Valve Assembly, Suction

4

07002-12034

O-ring

5

723-26-15230

Plug

6

07002-12434

O-ring

7

723-11-28190

Valve

8

723-11-28221

Spring

9

723-10-12201

Valve, Relief

10

07002-02034

O-ring

Выбрано товаров: 11