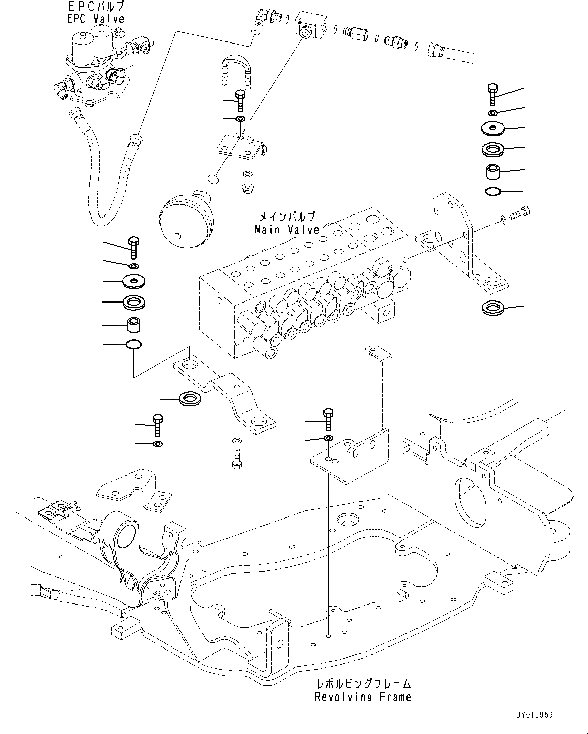
Запчасти Komatsu PC20MR-3 УПРАВЛЯЮЩ. КЛАПАН, ЭЛЕМЕНТЫ КРЕПЛЕНИЯ (№-) УПРАВЛЯЮЩ. КЛАПАН, С СИГНАЛ ХОДА, ДЛЯ -ДОПОЛН. АКТУАТОР ТРУБЫ

Схема запчастей Komatsu PC20MR-3 - УПРАВЛЯЮЩ. КЛАПАН, ЭЛЕМЕНТЫ КРЕПЛЕНИЯ (№-) УПРАВЛЯЮЩ. КЛАПАН, С СИГНАЛ ХОДА, ДЛЯ -ДОПОЛН. АКТУАТОР ТРУБЫ
3
6
5
4
3
1
3
1
4
2
5
6
3
2
7
8
10
9
11
12
FIT
1:1
100%

Артикул

Название

Примечание

Количество

1

22K-60-21440

Collar

2

415-64-13120

Washer

3

201-910-6730

Cushion

4

07002-12434

O-ring

5

01010-81040

Bolt

6

01643-31032

Washer

7

01010-81020

Bolt

8

01643-31032

Washer

9

01010-81020

Bolt

10

01643-31032

Washer

11

01010-81020

Bolt

12

01643-31032

Washer

Выбрано товаров: 12