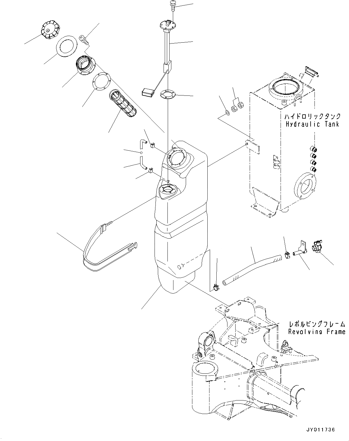
Запчасти Komatsu PC20MR-3 ТОПЛИВН. БАК., БАК (№-) ТОПЛИВН. БАК., С МАСТЕР КЛЮЧ

Схема запчастей Komatsu PC20MR-3 - ТОПЛИВН. БАК., БАК (№-) ТОПЛИВН. БАК., С МАСТЕР КЛЮЧ
9
10
11
13
18
19
8
16
8
7
6
4
20
5
3
2
17
1
13
15
14
12
FIT
1:1
100%

Артикул

Название

Примечание

Количество

1

22K-04-31111

Tank, Fuel

2

22J-04-15221

Filler

3

20M-04-81230

Packing

4

01023-10514

Screw

5

22L-04-21171

Strainer

6

22K-04-31120

Gauge

7

20N-04-81360

Float

8

07285-00085

Clip, Hose

9

42A-06-53211

Sensor, Fuel Level

9

42A-06-53210

Sensor, Fuel Level

10

42A-04-51131

Gasket

11

01023-10516

Screw

12

22K-04-31260

Hose

13

22K-04-21190

Clip

14

22L-04-21141

Bracket

15

22F-04-31141

Valve

16

22K-04-21160

Cap

17

22K-04-31211

Band

18

01580-10806

Nut

19

01643-30823

Washer

20

22K-04-31280

Sheet

Выбрано товаров: 21