Качественные детали и логистика
Оригинальные и аналоговые запчасти с доставкой по России, Казахстану и Беларуси
©2022 PartSell ООО "Система" ИНН 2463123282 ОГРН 1212400004838
Центральный офис: г. Красноярск, Академика Киренского, д.87, пом.4
Телефон: 8 (800) 777-65-74 Email: zakaz@partsell.ru
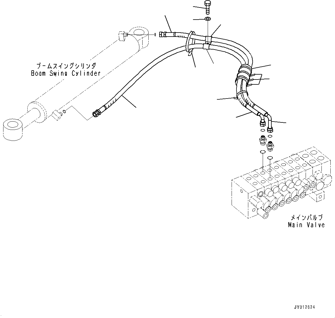
АКТУАТОР ТРУБЫ, ЦИЛИНДР ПОВОРОТА СТРЕЛЫ ТРУБЫ (№-)
№
Артикул
Название
Примечание
Количество
1
22K-62-32820
Hose
2
22K-62-22810
3
04434-51410
Clip
4
01010-81020
Bolt
5
01643-31032
Washer
6
08034-20536
Band
7
20N-62-72670
Sheet
8
Выбрано товаров: 0