Запчасти Komatsu PC20MR-3 ОСНОВН. КОНСТРУКЦИЯ, РЫЧАГ УПРАВЛ-Я ПОДАЧЕЙ ТОПЛИВА (№-) ОСНОВН. КОНСТРУКЦИЯ, ДЛЯ СИСТЕМА ROPS, МАСТЕР КЛЮЧ

Схема запчастей Komatsu PC20MR-3 - ОСНОВН. КОНСТРУКЦИЯ, РЫЧАГ УПРАВЛ-Я ПОДАЧЕЙ ТОПЛИВА (№-) ОСНОВН. КОНСТРУКЦИЯ, ДЛЯ СИСТЕМА ROPS, МАСТЕР КЛЮЧ
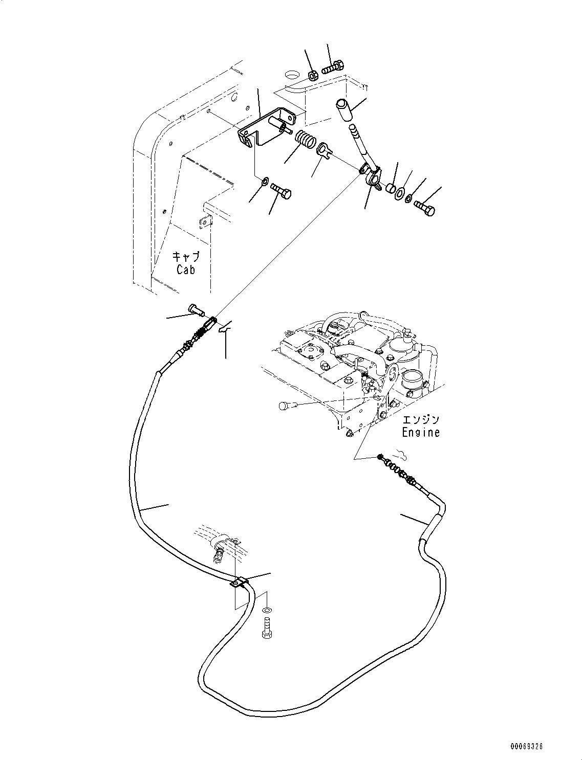
9
7
8
6
2
1
4
5
12
13
11
10
3
18
17
16
15
14
FIT
1:1
100%

Артикул

Название

Примечание

Количество

1

22F-43-31411

Lever

2

09350-01815

Bushing

3

203-43-44360

Knob

4

21U-43-31631

Plate

5

22F-43-12160

Spring

6

124-54-26540

Washer

7

01010-D0820

Bolt

8

01643-70823

Washer

9

01016-50830

Bolt

10

01580-10806

Nut

11

22F-43-31431

Bracket

12

01010-D0816

Bolt

13

01643-70823

Washer

14

22K-43-31441

Cable

15

20N-62-72670

Sheet

16

04205-10618

Pin

17

04052-20633

Pin, Snap

18

04434-51412

Clip

Выбрано товаров: 18