Запчасти Komatsu PC20MR-3 ОСНОВН. КОНСТРУКЦИЯ, НАВЕСН. ОБОРУД ТРУБЫ (№-) ОСНОВН. КОНСТРУКЦИЯ, С МАСТЕР КЛЮЧ, ДЛЯ СИСТЕМА ROPS, -ДОПОЛН. АКТУАТОР ТРУБЫ

Схема запчастей Komatsu PC20MR-3 - ОСНОВН. КОНСТРУКЦИЯ, НАВЕСН. ОБОРУД ТРУБЫ (№-) ОСНОВН. КОНСТРУКЦИЯ, С МАСТЕР КЛЮЧ, ДЛЯ СИСТЕМА ROPS, -ДОПОЛН. АКТУАТОР ТРУБЫ
3
2
13
14
1
3
4
5
6
7
8
9
10
11
12
13
14
15
16
17
18
19
20
FIT
1:1
100%

Артикул

Название

Примечание

Количество

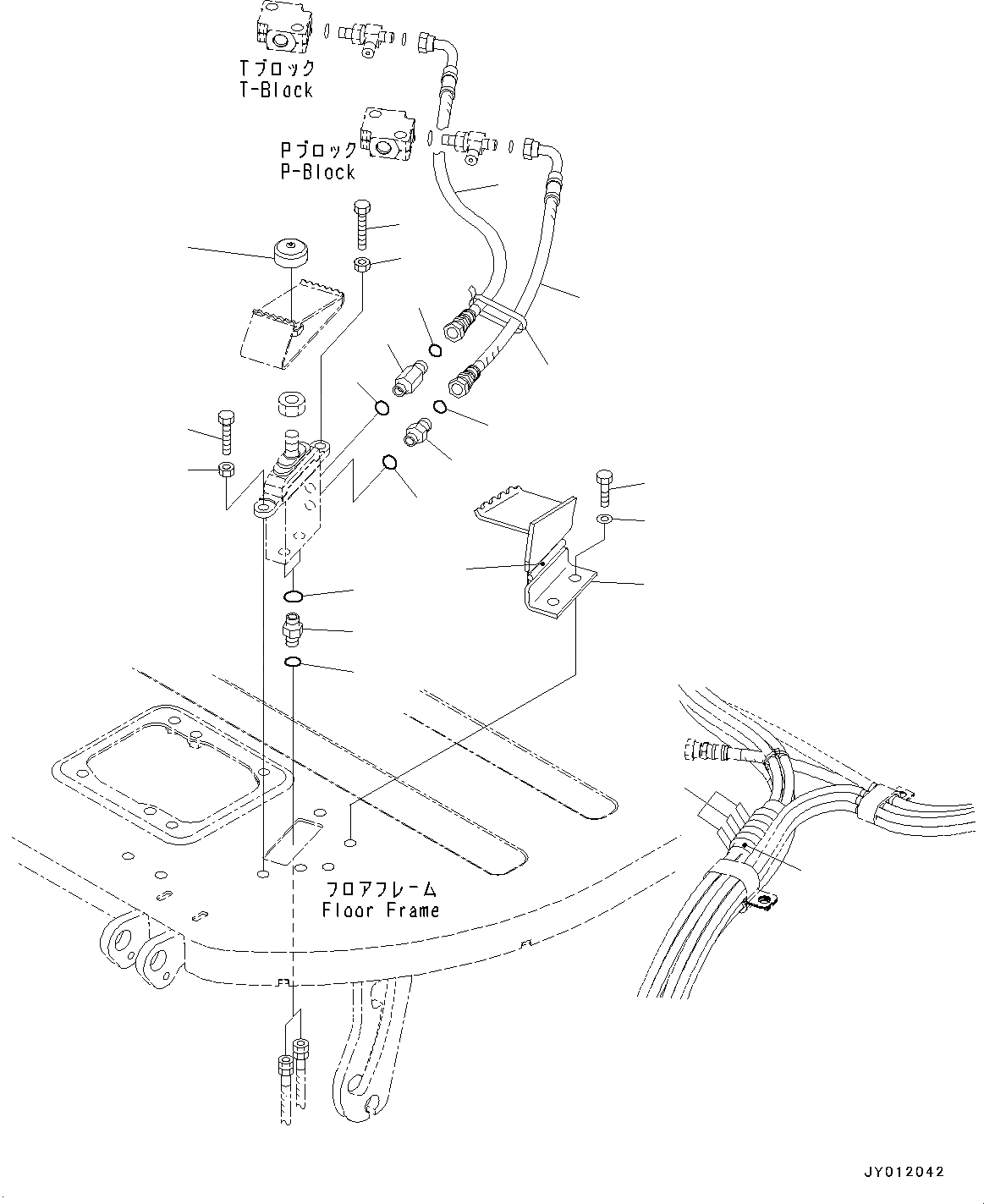
1

01016-51045

Bolt

2

01016-51055

Bolt

3

01580-11008

Nut

4

22M-973-2521

Cover

5

22M-43-11510

Hinge,Welded

6

01010-81025

Bolt

7

01643-31032

Washer

8

11Y-62-12140

Nipple

9

07000-12011

O-ring

10

02896-11008

O-ring

11

11Y-62-12140

Nipple

12

21W-62-41780

Nipple

13

07000-12011

O-ring

14

02896-11008

O-ring

14

22M-973-2500

Hose Assembly

15

22M-62-23121

Hose, Green-Red

16

22M-973-2511

Hose, Blue-White

17

08034-20519

Band

18

20U-62-26170

Sheet

19

08034-20834

Band

20

22M-54-26180

Cap

Выбрано товаров: 21