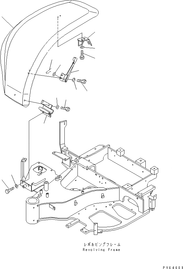
Запчасти Komatsu PC20MRX-1 ПЕРЕДН. COVER(№-) ЧАСТИ КОРПУСА

Схема запчастей Komatsu PC20MRX-1 - ПЕРЕДН. COVER(№-) ЧАСТИ КОРПУСА
1
2
3
4
5
6
7
8
8
9
10
11
12
13
FIT
1:1
100%

Артикул

Название

Примечание

Количество

|$1

22K-54-11401

COVER ASS'Y

1

COVER

2

20C-54-31451

BRACKET

3

01010-81020

BOLT

4

01643-31032

WASHER

5

20C-54-31631

HINGE

6

01010-81020

BOLT

7

01010-81025

BOLT

8

01643-31032

WASHER

9

21U-54-31651

HINGE ASS'Y

10

01643-30823

WASHER

11

04052-10833

PIN,SNAP

12

01010-81020

BOLT

13

01643-31032

WASHER

Выбрано товаров: 0