Качественные детали и логистика
Оригинальные и аналоговые запчасти с доставкой по России, Казахстану и Беларуси
©2022 PartSell ООО "Система" ИНН 2463123282 ОГРН 1212400004838
Центральный офис: г. Красноярск, Академика Киренского, д.87, пом.4
Телефон: 8 (800) 777-65-74 Email: zakaz@partsell.ru
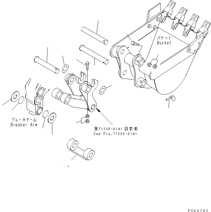
ПАЛЕЦ КОВША (QUICK ГИДРОМОЛОТ РУКОЯТЬ СПЕЦ-Я.)
№
Артикул
Название
Примечание
Количество
1
20N-970-8341
PIN
2
20N-970-8361
3
01010-81285
BOLT
4
01580-11210
NUT
5
01010-81075
6
01580-11008
7
20N-970-8331
8
140-30-16221
O-RING
9
20P-70-71265
SPACER, 4.0MM
10
20N-70-41270
SPACER, 1.0MM
11
20P-971-7460
PIN,LINCH
12
20N-970-8780
GUARD
Выбрано товаров: 0