Качественные детали и логистика
Оригинальные и аналоговые запчасти с доставкой по России, Казахстану и Беларуси
©2022 PartSell ООО "Система" ИНН 2463123282 ОГРН 1212400004838
Центральный офис: г. Красноярск, Академика Киренского, д.87, пом.4
Телефон: 8 (800) 777-65-74 Email: zakaz@partsell.ru
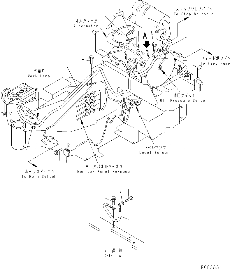
ДВИГАТЕЛЬ ЭЛЕКТРОПРОВОДКА (С КОНДИЦИОНЕРОМ)
№
Артикул
Название
Примечание
Количество
1
20N-979-8321
HARNESS
|1
08020-00000
DIODE
08034-00519
BAND
203-06-57241
FUSIBLE LINK
2
20P-06-71196
CABLE
3
01010-81020
BOLT
4
01643-31032
WASHER
5
01435-01016
6
01435-00812
7
08034-00536
8
08036-01414
CLIP
9
08053-01510
10
7861-92-3320
SENSOR,ENGINE WATER TEMPERATURE
11
08160-61200
HORN
12
01435-00610
Выбрано товаров: 0