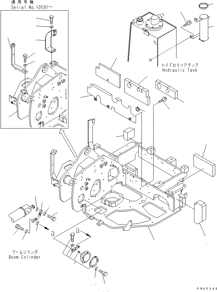
Запчасти Komatsu PC20UU-3 ОСНОВНАЯ РАМА ОСНОВНАЯ РАМА И ЕЕ ЧАСТИ

Схема запчастей Komatsu PC20UU-3 - ОСНОВНАЯ РАМА ОСНОВНАЯ РАМА И ЕЕ ЧАСТИ
1
1
2
3
4
5
6
7
8
9
10
11
12
13
14
15
16
17
18
18
19
19
19
19
20
21
22
22
23
23
FIT
1:1
100%

Артикул

Название

Примечание

Количество

1

20C-46-31117

FRAME,REVOLVING

|1

20C-46-31113

FRAME,REVOLVING

2

20C-46-31322

PLATE

3

08037-02512

GROMMET

4

20C-46-31332

SHEET

5

20C-46-31341

SHEET

6

20C-46-31390

SHEET

7

01435-01025

BOLT

8

20C-46-31350

SHEET

9

20C-46-31360

SHEET

10

20C-46-31381

SHEET

11

20C-46-31313

BRACKET

12

20C-46-31370

GARNISH

13

01435-01016

BOLT

14

21U-70-31802

SENSOR ASS'Y

|14

7861-92-8510

POTENTIOMETER

|14

21U-70-31832

LEVER

|14

04010-00310

KEY

|14

21U-70-21970

BOLT

|14

01643-30823

WASHER

15

01010-B0635

BOLT

16

01643-30623

WASHER

17

21U-70-31811

ROD ASS'Y

18

01010-B0830

BOLT

19

01643-30823

WASHER

20

20C-46-31120

BRACKET

21

20C-46-31130

BRACKET

22

01010-81025

BOLT

23

01643-31032

WASHER

Выбрано товаров: 29