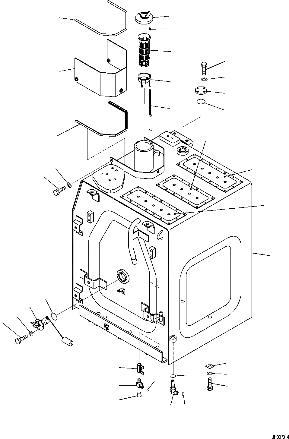
Запчасти Komatsu PC210-10 ТОПЛИВН. БАК., ЗАПРАВОЧН. НАСОС ТОПЛИВН. БАК. (ЗАПРАВОЧН. НАСОС)

Схема запчастей Komatsu PC210-10 - ТОПЛИВН. БАК., ЗАПРАВОЧН. НАСОС ТОПЛИВН. БАК. (ЗАПРАВОЧН. НАСОС)
22
20
6
12
14
11
13
19
26
25
28
27
18
18
1
23
24
21
8
7
10
9
2
3
4
5
15
17
16
31
30
29
FIT
1:1
100%

Артикул

Название

Примечание

Количество

1

2A5-04-12110

Tank

2

07700-50240

Valve

3

20Y-04-41231

Elbow

4

07043-A0108

Plug

5

02896-11009

O-Ring

6

20Y-04-11161

Cap

7

2A5-06-11391

Sensor, Fuel Level

8

07000-13050

O-Ring

9

01010-80612

Bolt

10

01643-30623

Washer

|$10

22U-04-21241

Strainer Assembly

|$11

22U-04-21200

.Float Assembly

11

22U-04-21210

..Guide

12

20Y-04-21580

..Cap

13

22U-04-21220

..Float

14

07056-18425

.Strainer

15

20Y-04-41590

Elbow

16

07002-12034

O-Ring

17

02896-11009

O-Ring

18

20Y-00-42110

Plate

19

208-00-76140

Plate

20

2A5-04-12120

Bracket

21

2A5-04-12130

Sheet

22

2A5-04-12140

Seal

23

01010-81030

Bolt

24

01643-31032

Washer

25

20Y-04-K3071

Plate

26

07000-13032

O-Ring

27

01010-80620

Bolt

28

01643-30623

Washer

29

01010-81645

Bolt

30

01643-31645

Washer

31

195-03-11570

Shim, T=1.0mm

Выбрано товаров: 0