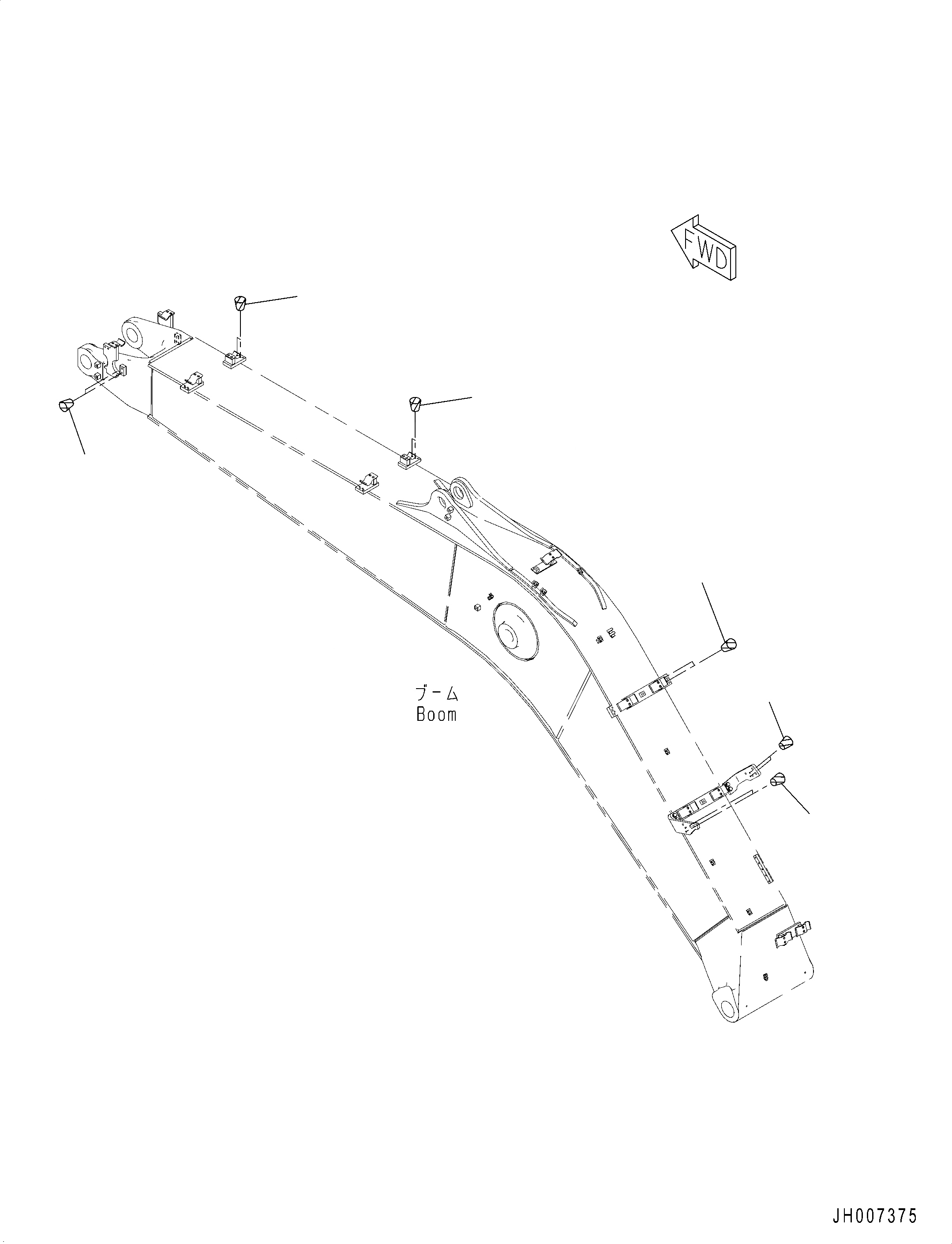
Запчасти Komatsu PC210-10 СТРЕЛА, 7MM УСИЛ.ENED ТИП, -НАВЕСН. ОБОРУД, -ДОПОЛН. АКТУАТОР ТРУБЫ, АККУМУЛЯТОР, ЗАГЛУШКА СТРЕЛА (7MM УСИЛ.ENED ТИП, -НАВЕСН. ОБОРУД, -ДОПОЛН. АКТУАТОР ТРУБЫ, АККУМУЛЯТОР)

Схема запчастей Komatsu PC210-10 - СТРЕЛА, 7MM УСИЛ.ENED ТИП, -НАВЕСН. ОБОРУД, -ДОПОЛН. АКТУАТОР ТРУБЫ, АККУМУЛЯТОР, ЗАГЛУШКА СТРЕЛА (7MM УСИЛ.ENED ТИП, -НАВЕСН. ОБОРУД, -ДОПОЛН. АКТУАТОР ТРУБЫ, АККУМУЛЯТОР)
2
2
1
2
2
2
FIT
1:1
100%

Артикул

Название

Примечание

Количество

1

07049-01215

Plug

2

07049-01012

Plug

Выбрано товаров: 0