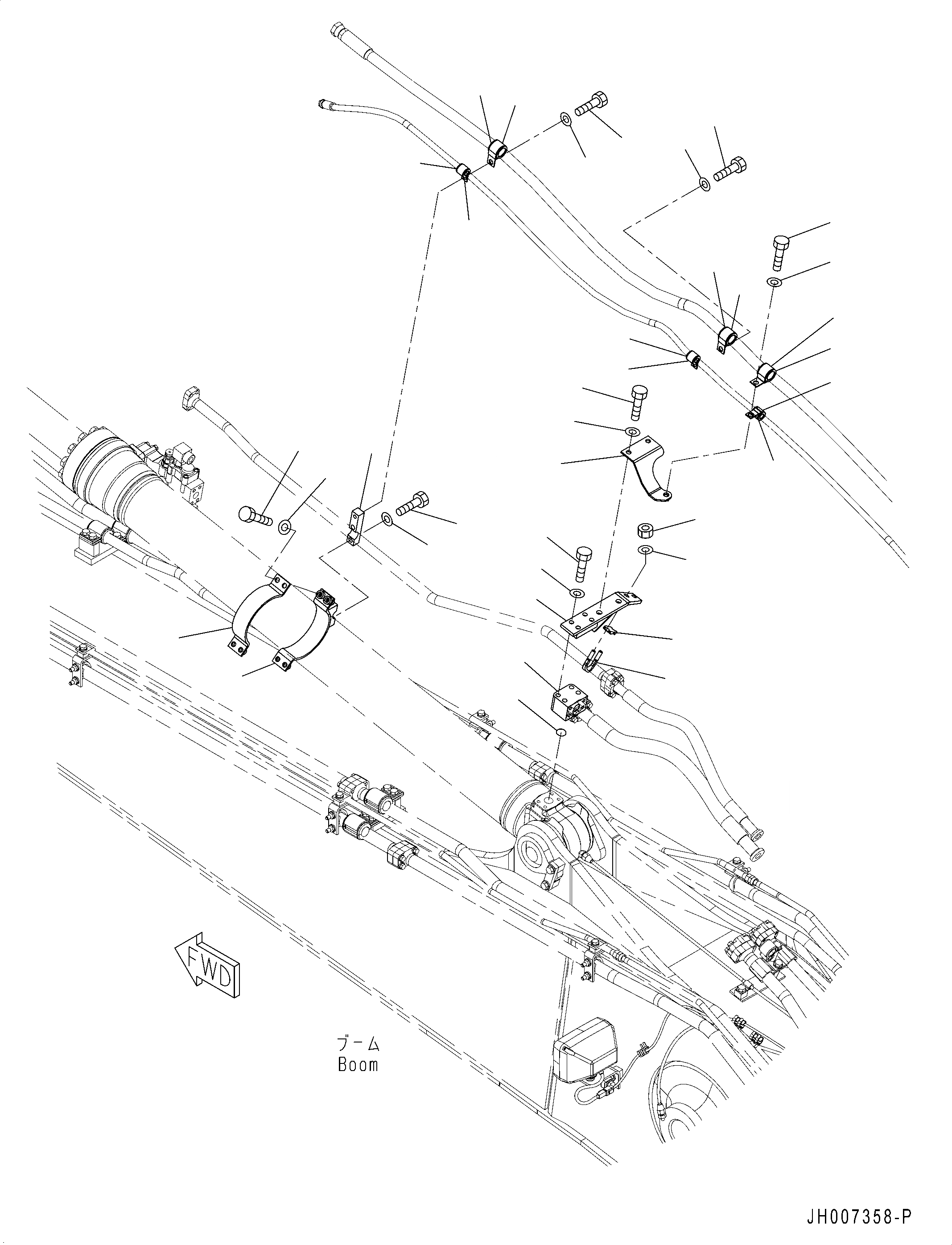
Запчасти Komatsu PC210-10 ЦИЛИНДР РУКОЯТИ, СТРЕЛА И РУКОЯТЬ ANTI-DROP КЛАПАН, РУКОЯТЬ ЛИНИЯ ЗАКРЫВАЮЩЕГО КЛАПАНА, ЦИЛИНДР РУКОЯТИ ЦИЛИНДР РУКОЯТИ(СТРЕЛА И РУКОЯТЬ ANTI-DROP КЛАПАН)

Схема запчастей Komatsu PC210-10 - ЦИЛИНДР РУКОЯТИ, СТРЕЛА И РУКОЯТЬ ANTI-DROP КЛАПАН, РУКОЯТЬ ЛИНИЯ ЗАКРЫВАЮЩЕГО КЛАПАНА, ЦИЛИНДР РУКОЯТИ ЦИЛИНДР РУКОЯТИ(СТРЕЛА И РУКОЯТЬ ANTI-DROP КЛАПАН)
2
16
14
15
13
18
29
11
28
10
30
31
30
27
31
17
26
29
28
27
26
12
19
3
4
24
8
20
21
9
25
7
23
5
1
22
6
FIT
1:1
100%

Артикул

Название

Примечание

Количество

1

707-88-51320

Bracket

2

707-88-26670

Band

3

07372-21240

Bolt

4

01643-51232

Washer

5

20D-62-17860

Elbow

6

07000-13035

O-Ring

7

206-62-21960

Bracket

8

01010-81095

Bolt

9

01643-31032

Washer

10

206-62-21951

Plate

11

01010-81230

Bolt

12

01643-31232

Washer

13

04434-53412

Clip

14

04434-52112

Clip

15

07095-20627

Cushion

16

07095-20314

Cushion

17

01010-81230

Bolt

18

01643-31232

Washer

19

2A5-62-14780

Clamp

20

01010-81040

Bolt

21

01643-31032

Washer

22

07283-32746

Clip

23

07283-52737

Seat

24

01597-01009

Nut

25

01643-31032

Washer

26

04434-52112

Clip

27

07095-20314

Cushion

28

04434-53412

Clip

29

07095-20627

Cushion

30

01010-81225

Bolt

31

01643-31232

Washer

Выбрано товаров: 31