Запчасти Komatsu PC210-10 АККУМУЛЯТОР АККУМУЛЯТОР

Схема запчастей Komatsu PC210-10 - АККУМУЛЯТОР АККУМУЛЯТОР
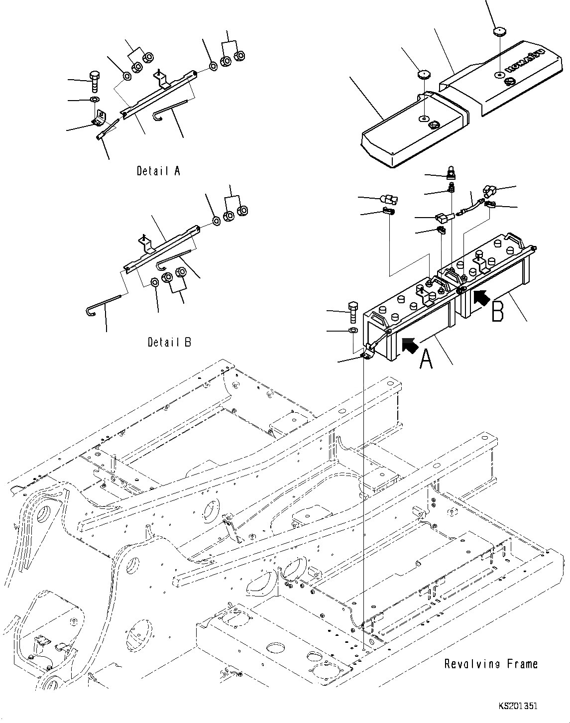
1
3
2
4
5
6
7
8
9
10
11
12
13
14
15
16
17
19
20
21
22
20
12
13
14
6
7
6
8
7
3
18
2
1
8
FIT
1:1
100%

Артикул

Название

Примечание

Количество

1

424-06-H4140

Battery, Wet

2

08000-00000

Terminal, (+)

3

08000-00001

Terminal, (-)

4

2A5-06-11441

Holder

5

2A5-06-11451

Holder

6

206-06-K1410

Bolt

7

01643-31032

Washer

8

01580-11008

Nut

9

08006-40255

Rod

10

01643-31032

Washer

11

01580-11008

Nut

12

2A5-06-11481

Plate

13

01010-81230

Bolt

14

01643-31232

Washer

15

14X-06-12280

Cover

16

14X-06-12290

Cover

17

08028-63020

Cable, Ground

18

08038-42511

Cap

19

08038-22511

Cap

20

2A5-06-11431

Nut

21

2A5-06-11550

Cover

22

2A5-06-11670

Cover

Выбрано товаров: 22