Запчасти Komatsu PC210-10 ОСНОВН. УПРАВЛЯЮЩ. КЛАПАН, -ДОПОЛН. АКТУАТОР ТРУБЫ, АККУМУЛЯТОР, ВНУТР. ЧАСТИ (/) ОСНОВН. УПРАВЛЯЮЩ. КЛАПАН, -ДОПОЛН. АКТУАТОР ТРУБЫ, АККУМУЛЯТОР

Схема запчастей Komatsu PC210-10 - ОСНОВН. УПРАВЛЯЮЩ. КЛАПАН, -ДОПОЛН. АКТУАТОР ТРУБЫ, АККУМУЛЯТОР, ВНУТР. ЧАСТИ (/) ОСНОВН. УПРАВЛЯЮЩ. КЛАПАН, -ДОПОЛН. АКТУАТОР ТРУБЫ, АККУМУЛЯТОР
16
13
16
19
7
15
12
10
16
9
11
8
13
10
10
7
11
2
10
18
16
3
11
4
11
14
13
10
7
8
5
10
7
11
10
10
8
10
11
11
7
3
10
6
7
10
11
8
10
9
1
12
19
13
14
15
17
16
16
FIT
1:1
100%

Артикул

Название

Примечание

Количество

|$0

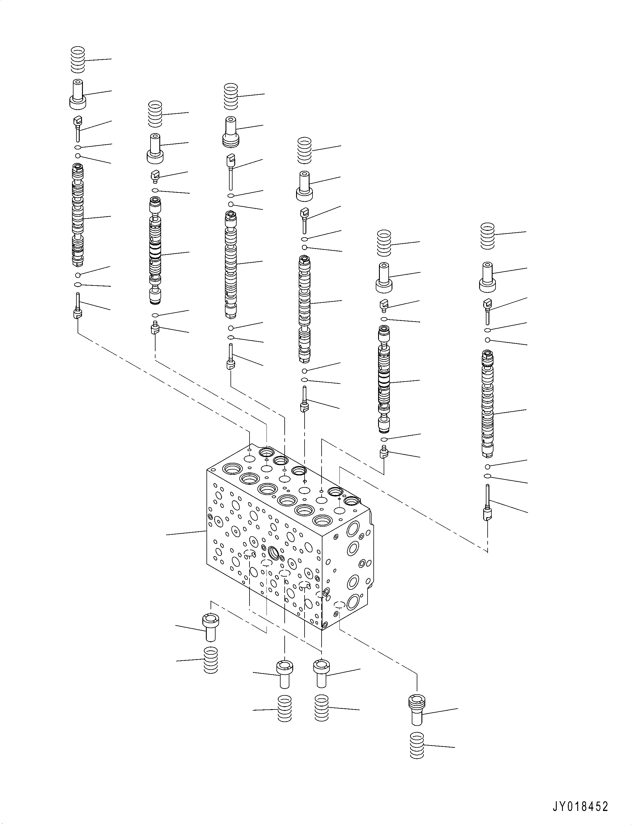
723-48-29400

Valve, Control

7

723-46-15130

Plug

8

723-46-15140

Plug

9

723-46-15650

Plug

10

07002-10823

O-Ring

11

708-7T-16460

Ball

12

723-46-15120

Retainer

13

723-46-15690

Retainer

14

723-46-15950

Retainer

15

723-46-15880

Retainer

16

723-46-14110

Spring

17

723-46-14280

Spring

18

723-46-14290

Spring

19

723-46-14131

Spring

Выбрано товаров: 14