Запчасти Komatsu PC210-10 ОСНОВН. УПРАВЛЯЮЩ. КЛАПАН, -ДОПОЛН. АКТУАТОР ТРУБЫ, АККУМУЛЯТОР, ВНУТР. ЧАСТИ (/) ОСНОВН. УПРАВЛЯЮЩ. КЛАПАН, -ДОПОЛН. АКТУАТОР ТРУБЫ, АККУМУЛЯТОР

Схема запчастей Komatsu PC210-10 - ОСНОВН. УПРАВЛЯЮЩ. КЛАПАН, -ДОПОЛН. АКТУАТОР ТРУБЫ, АККУМУЛЯТОР, ВНУТР. ЧАСТИ (/) ОСНОВН. УПРАВЛЯЮЩ. КЛАПАН, -ДОПОЛН. АКТУАТОР ТРУБЫ, АККУМУЛЯТОР
3
10
3
12
2
7
13
6
6
13
4
6
10
8
4
16
15
8
4
7
3
16
13
2
14
2
8
7
13
1
8
1
9
6
5
8
9
8
13
6
5
13
9
9
2
7
11
8
8
3
FIT
1:1
100%

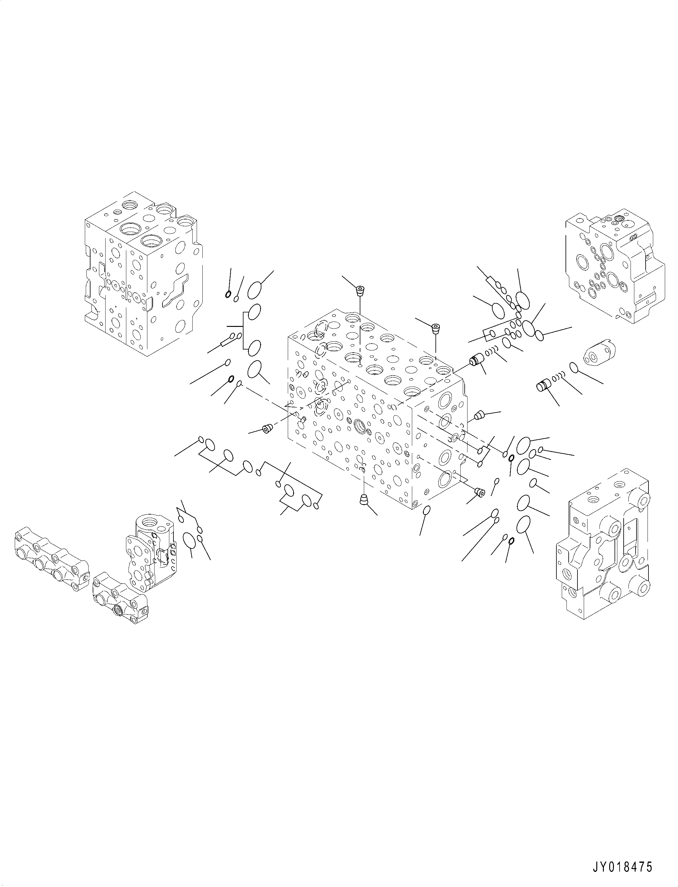
Артикул

Название

Примечание

Количество

|$0

723-48-29400

Valve, Control

1

07000-12012

O-Ring

2

723-11-19130

O-Ring

3

723-46-17520

Ring, Back-Up

4

07000-12021

O-Ring

5

07000-13028

O-Ring

6

07000-13032

O-Ring

7

723-46-17510

O-Ring

8

723-46-17530

O-Ring

9

723-11-18150

O-Ring

10

07000-12012

O-Ring

11

07000-13032

O-Ring

12

07000-13036

O-Ring

14

723-46-17650

Valve

15

723-46-15150

Valve

16

723-46-14150

Spring

Выбрано товаров: 16