Запчасти Komatsu PC210-10 БЫСТРОСЪЕМН. МЕХ-М ТРУБЫ, -ДОПОЛН. АКТУАТОР ТРУБЫ, АККУМУЛЯТОР, КЛАПАН EPC КРЕПЛЕНИЕ БЫСТРОСЪЕМН. МЕХ-М ТРУБЫ (-ДОПОЛН. АКТУАТОР ТРУБЫ, АККУМУЛЯТОР)

Схема запчастей Komatsu PC210-10 - БЫСТРОСЪЕМН. МЕХ-М ТРУБЫ, -ДОПОЛН. АКТУАТОР ТРУБЫ, АККУМУЛЯТОР, КЛАПАН EPC КРЕПЛЕНИЕ БЫСТРОСЪЕМН. МЕХ-М ТРУБЫ (-ДОПОЛН. АКТУАТОР ТРУБЫ, АККУМУЛЯТОР)
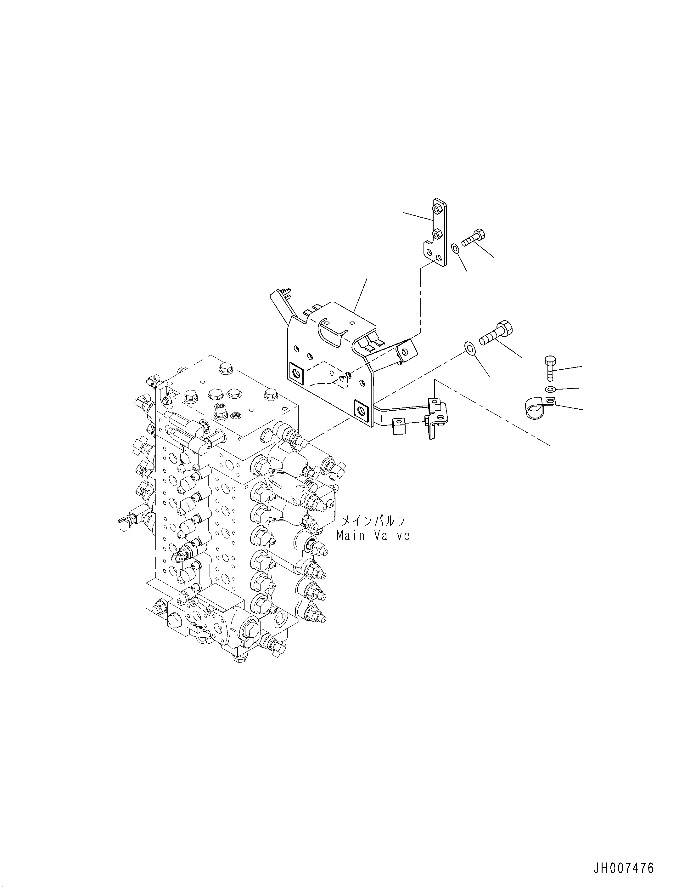
4
5
1
6
2
8
3
9
7
FIT
1:1
100%

Артикул

Название

Примечание

Количество

1

2A5-62-18332

Bracket

2

01010-81645

Bolt

3

01643-31645

Washer

4

2A5-62-18570

Bracket

5

01010-81230

Bolt

6

01643-31232

Washer

7

04434-53212

Clip

8

01010-81225

Bolt

9

01643-31232

Washer

Выбрано товаров: 9