Качественные детали и логистика
Оригинальные и аналоговые запчасти с доставкой по России, Казахстану и Беларуси
©2022 PartSell ООО "Система" ИНН 2463123282 ОГРН 1212400004838
Центральный офис: г. Красноярск, Академика Киренского, д.87, пом.4
Телефон: 8 (800) 777-65-74 Email: zakaz@partsell.ru
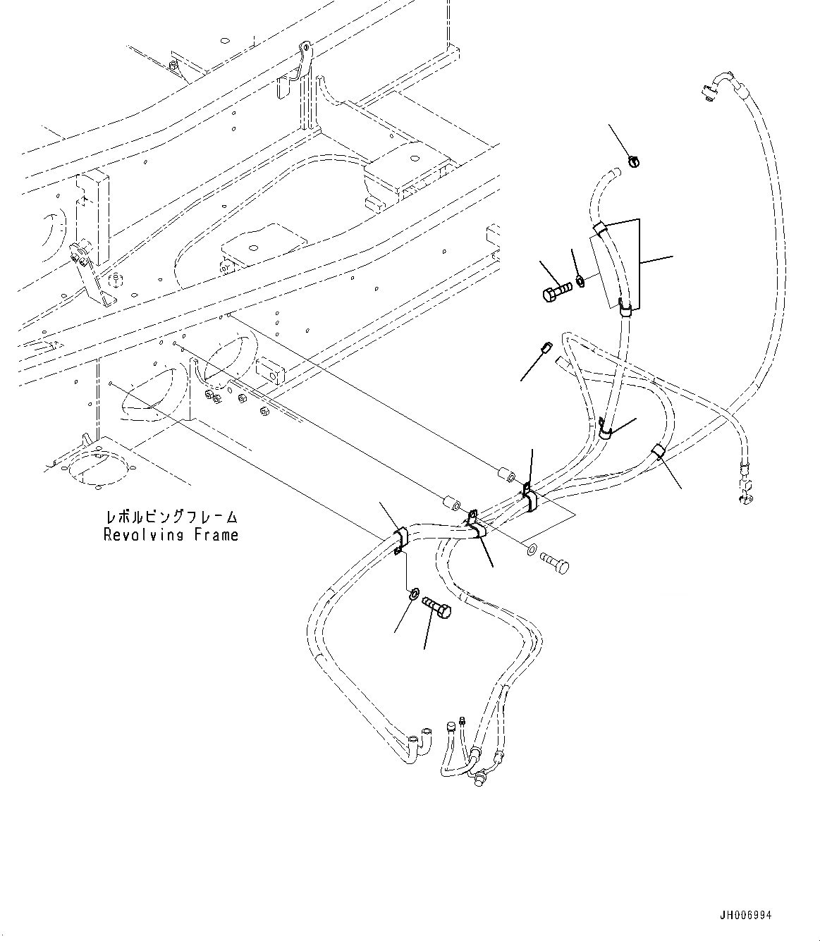
КОНДИЦ. ВОЗДУХА, ГИДР. ПРОВОД. ОБОГРЕВАТЕЛЯ
№
Артикул
Название
Примечание
Количество
1
11Y-09-11160
Clip
2
04434-52112
3
01010-81230
Bolt
4
01643-31232
Washer
5
04435-52112
6
2A5-979-1480
7
8
Выбрано товаров: 0