Качественные детали и логистика
Оригинальные и аналоговые запчасти с доставкой по России, Казахстану и Беларуси
©2022 PartSell ООО "Система" ИНН 2463123282 ОГРН 1212400004838
Центральный офис: г. Красноярск, Академика Киренского, д.87, пом.4
Телефон: 8 (800) 777-65-74 Email: zakaz@partsell.ru
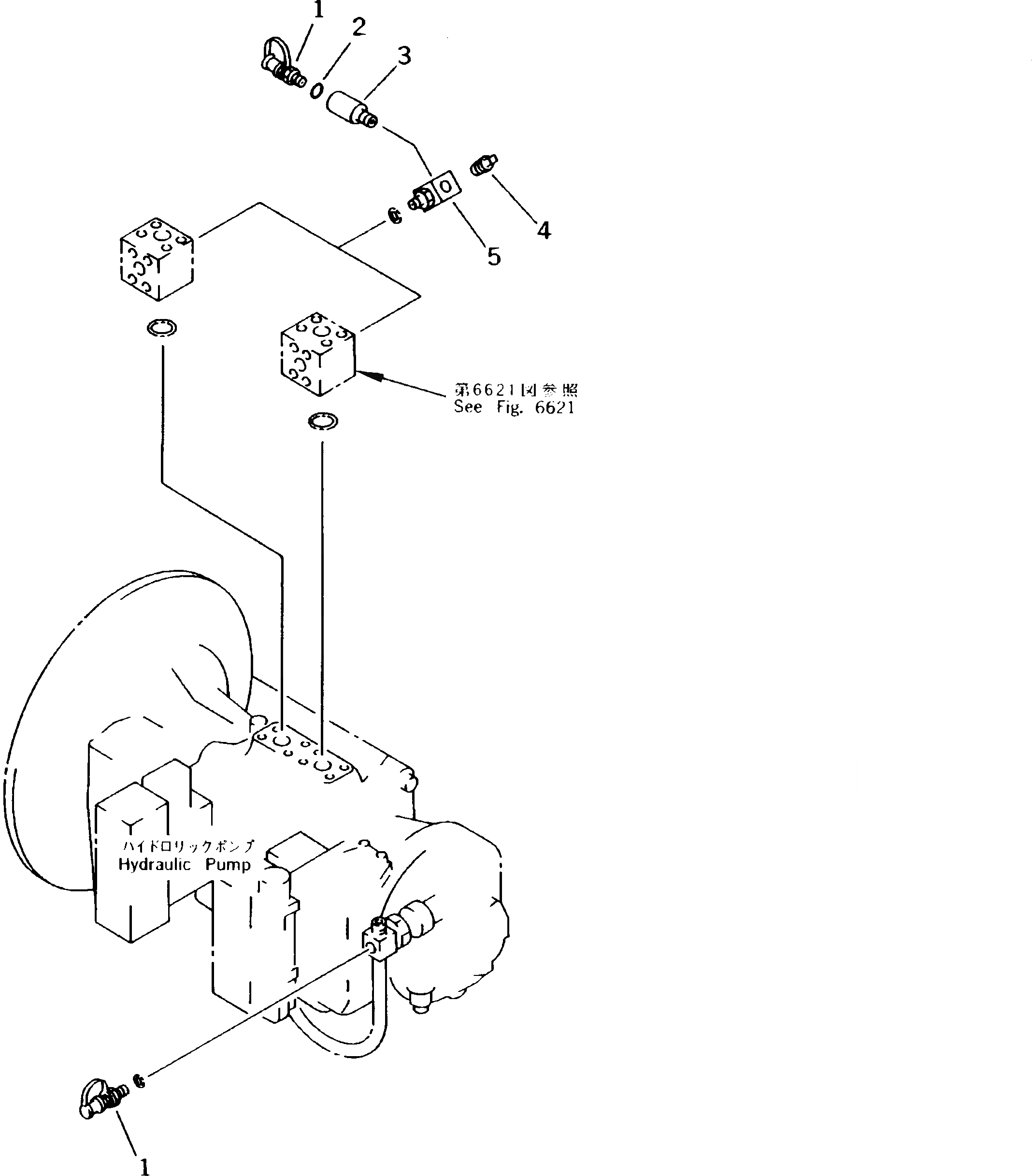
НАСОС SUB-PRESSURE TEST POINTS
№
Артикул
Название
Примечание
Количество
1
203-62-K1840
POINT,TEST
2
07002-11023
O-RING
3
61418-16730
NIPPLE
4
07042-30108
PLUG
5
203-62-58390
ELBOW
Выбрано товаров: 0