Запчасти Komatsu PC210-5K ЭЛЕКТРОПРОВОДКА В КАБИНЕ (ДЛЯ ПАНЕЛЬ СТОЙКА) (/)(№K-K9) КОМПОНЕНТЫ ДВИГАТЕЛЯ И ЭЛЕКТРИКА

Схема запчастей Komatsu PC210-5K - ЭЛЕКТРОПРОВОДКА В КАБИНЕ (ДЛЯ ПАНЕЛЬ СТОЙКА) (/)(№K-K9) КОМПОНЕНТЫ ДВИГАТЕЛЯ И ЭЛЕКТРИКА
FIT
1:1
100%

Артикул

Название

Примечание

Количество

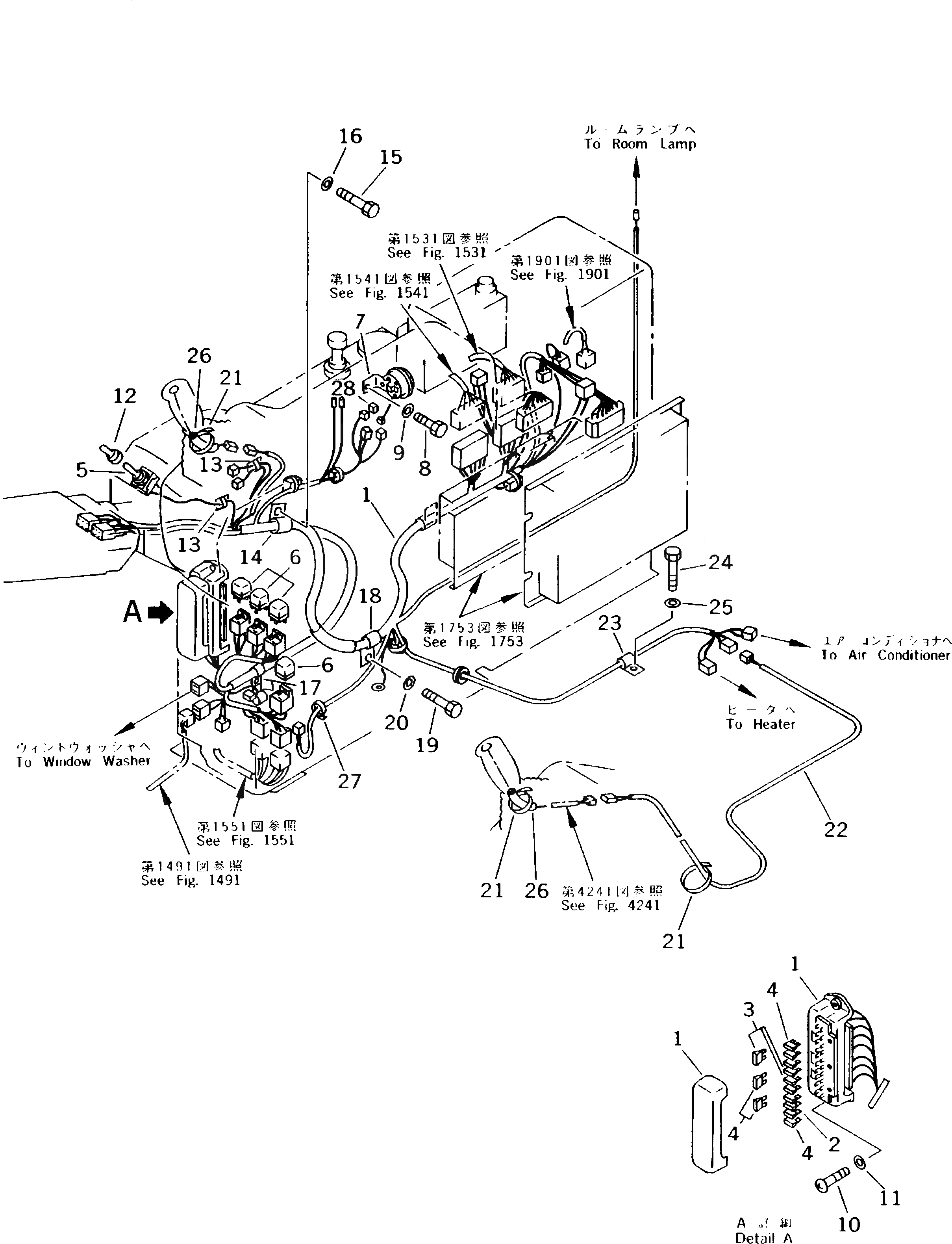
1

20Y-06-K1470

WIRING HARNESS

|1

20Y-06-K1270

WIRING HARNESS

2

22W-06-13160

FUSE¤ 20A

3

205-06-73180

FUSE¤ 15A

4

283-06-16190

FUSE¤ 10A

5

23S-06-14410

SWITCH

6

205-06-K1480

RELAY

7

203-06-56230

BUZZER ASS'Y

8

01010-50610

BOLT

9

01643-30623

WASHER

10

01220-40616

SCREW

11

01642-20608

WASHER

12

203-06-41680

CAP

13

08051-00801

CLIP

14

08036-03014

CLIP

15

01010-51220

BOLT

16

01643-31232

WASHER

17

08036-01814

CLIP

18

08036-02514

CLIP

19

01010-51220

BOLT

20

01643-31232

WASHER

21

08034-00823

BAND

22

20Y-06-16380

WIRING HARNESS

23

08036-01214

CLIP

24

01010-51020

BOLT

25

01643-31032

WASHER

26

20Y-06-16620

PROTECTOR

27

08034-00414

BAND

28

20Y-06-16390

LINK

Выбрано товаров: 29